Operation CHARM: Car repair manuals for everyone.

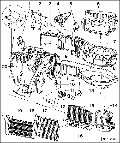
Heater and A/C Unit Overview, Climatic






Heater and A/C Unit Overview, Climatic






1 Temperature Regulator Door Motor (V68)

Checking: use the vehicle diagnostic tester

Removing and installing, refer to => [ Temperature Regulator Door Motor (V68) ] Temperature Regulator Door Motor (V68).

Replacing: initiate the basic setting using the vehicle diagnostic tester.

2 Bracket

3 Screws

It is necessary to remove the screws in order to separate the bracket from the air distribution and evaporator housing.

4 Cover

5 Recirculation Door Motor (V113)

Checking: use the vehicle diagnostic tester

Removing and installing, refer to => [ Recirculation Door Motor (V113) ] Recirculation Door Motor (V113).

Replacing: initiate the basic setting using the vehicle diagnostic tester.

6 Air Intake Housing

With recirculating air door

Removing and installing, refer to => [ Air Intake Housing ] Air Intake Housing.

7 Evaporator Housing Upper Section

Evaporator housing, disassembling and assembling, refer to => [ Evaporator Housing ] Overhaul.

8 Evaporator Housing Lower Section

Evaporator housing, disassembling and assembling, refer to => [ Evaporator Housing ] Overhaul.

9 Evaporator

Removing and installing, refer to => [ Evaporator ] Service and Repair.

10 Evaporator Temperature Sensor (G308) or Evaporator Vent Temperature Sensor (G263)

Checking: use the vehicle diagnostic tester

One or both of the component designations will appear, depending on software. The tasks are the same.

Removing and installing, refer to => [ Evaporator Temperature Sensor (G308) or Evaporator Vent Temperature Sensor (G263) ] Service and Repair.

11 Connection For Glove Compartment Cooling

Remove the glove compartment.

Installation position of glove compartment cooling connection, refer to => [ Installation position of glove compartment
cooling connection ].

12 Cooling Hose For Glove Compartment Cooling

Remove the glove compartment.

13 Fresh Air Blower Series Resistor With Fuse (N24)

Removing and installing, refer to => [ Fresh Air Blower Series Resistor with Fuse (N24) ] Service and Repair.

14 Fresh Air Blower (V2)

Removing and installing, refer to => [ Fresh Air Blower (V2), Manual Controls ] Fresh Air Blower (V2), Manual Controls.

15 Dust and Pollen Filter

With activated charcoal filter

Removing and installing, refer to => [ Dust and Pollen Filter ] Service and Repair.

16 Cover

For dust and pollen filter

17 Heater Core

Removing and installing, refer to => [ Heater Core ] Service and Repair.

18 Heater Core Trim

19 Auxiliary Heater Heating Element (Z35)

Only on vehicles with Diesel engine without auxiliary heater.

Checking: use the vehicle diagnostic tester under Heating, Ventilation and Air Conditioning; OBD-Capable Systems; Auxiliary Heater; Electrical Components.

20 Air Distribution Housing

Removing and installing, refer to => [ Air Distribution Housing ] Air Distribution Housing.

21 Air Distribution Door Motor (V428) With Air Distribution Door Motor Position Sensor (G645)

Checking: use the vehicle diagnostic tester

Removing and installing, refer to => [ Air Distribution Door Motor (V428) ] Air Distribution Door Motor (V428).

Replacing: initiate the basic setting using the vehicle diagnostic tester.

Installation position of glove compartment cooling connection





1 Connection

2 Valve