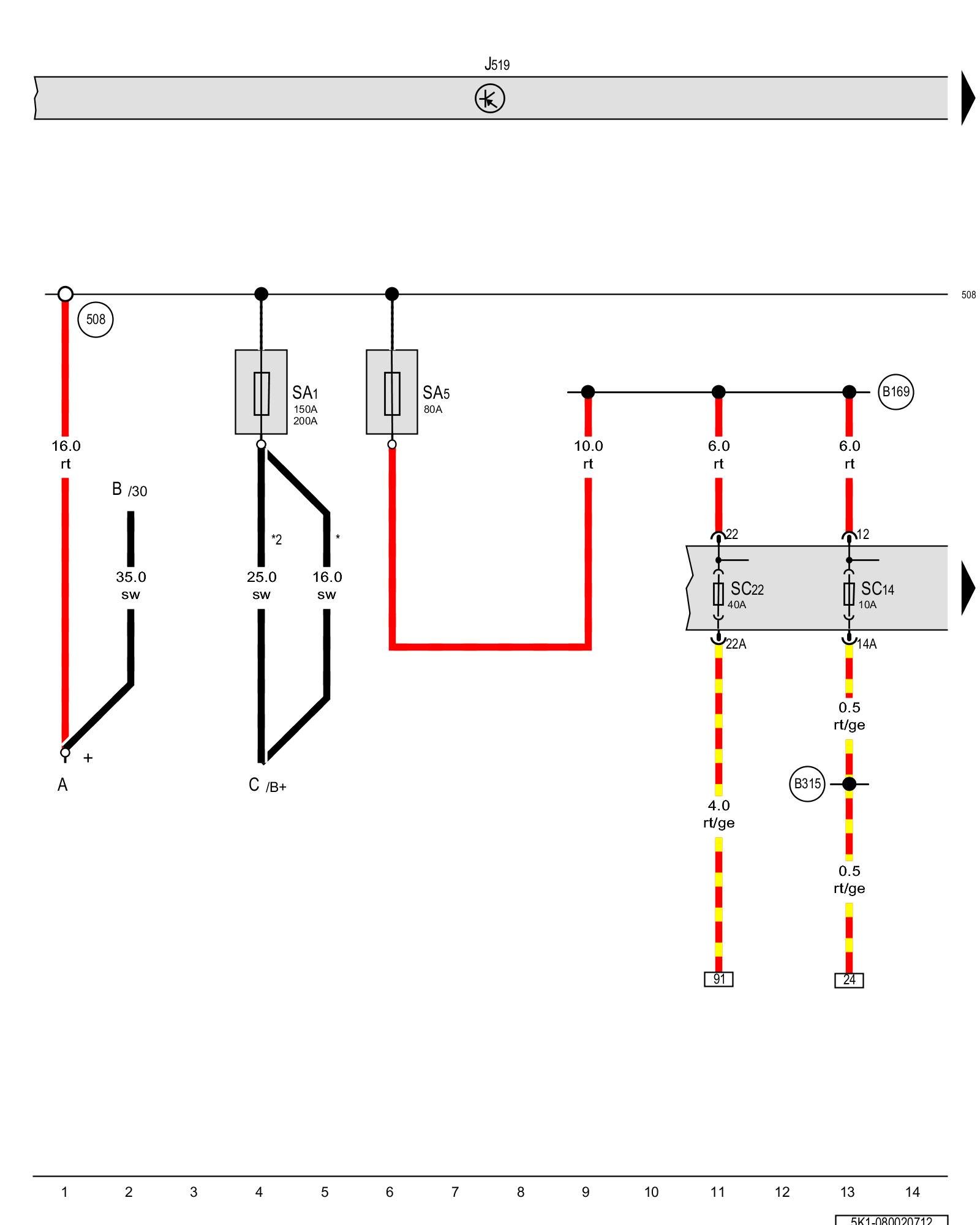
Diagram 80/2 (Tracks 1-14)
IMPORTANT NOTE:
This manufacturer uses "Track" style wiring diagrams.
For information on how to use these diagrams effectively, please refer to Diagram Information and Instructions. Diagram Information and Instructions
Fuse 1 (on fuse panel A), Fuse 5 (on fuse panel A), Fuse 14 (on fuse panel C), Fuse 22 (on fuse panel C)

ws = white
sw = black
ro = red
br = brown
gn = green
bl = blue
gr = grey
li = lilac
ge = yellow
or = orange
rs = pink
A - Battery
B - Starter
C - Generator
J519 - Vehicle electrical system control module Control modules in front part of vehicle - Overview of Control Modules
SA1 - Fuse 1 (on fuse panel A) Fuse overview (SA), (SB), (SC)
SA5 - Fuse 5 (on fuse panel A) Fuse overview (SA), (SB), (SC)
SC14 - Fuse 14 (on fuse panel C) Fuse overview (SA), (SB), (SC)
SC22 - Fuse 22 (on fuse panel C) Fuse overview (SA), (SB), (SC)
(508) - Terminal 30 threaded connection (on E-box)
(B169) - Positive connection 1 (30) (in interior wiring harness)
(B315) - Positive connection 1 (30a) (in main wiring harness)
* - Only for vehicles with 90 A/120 A generator
*2 - Only for vehicles with a generator (140 A)
Next Diagram 80/3 (Tracks 15-28)