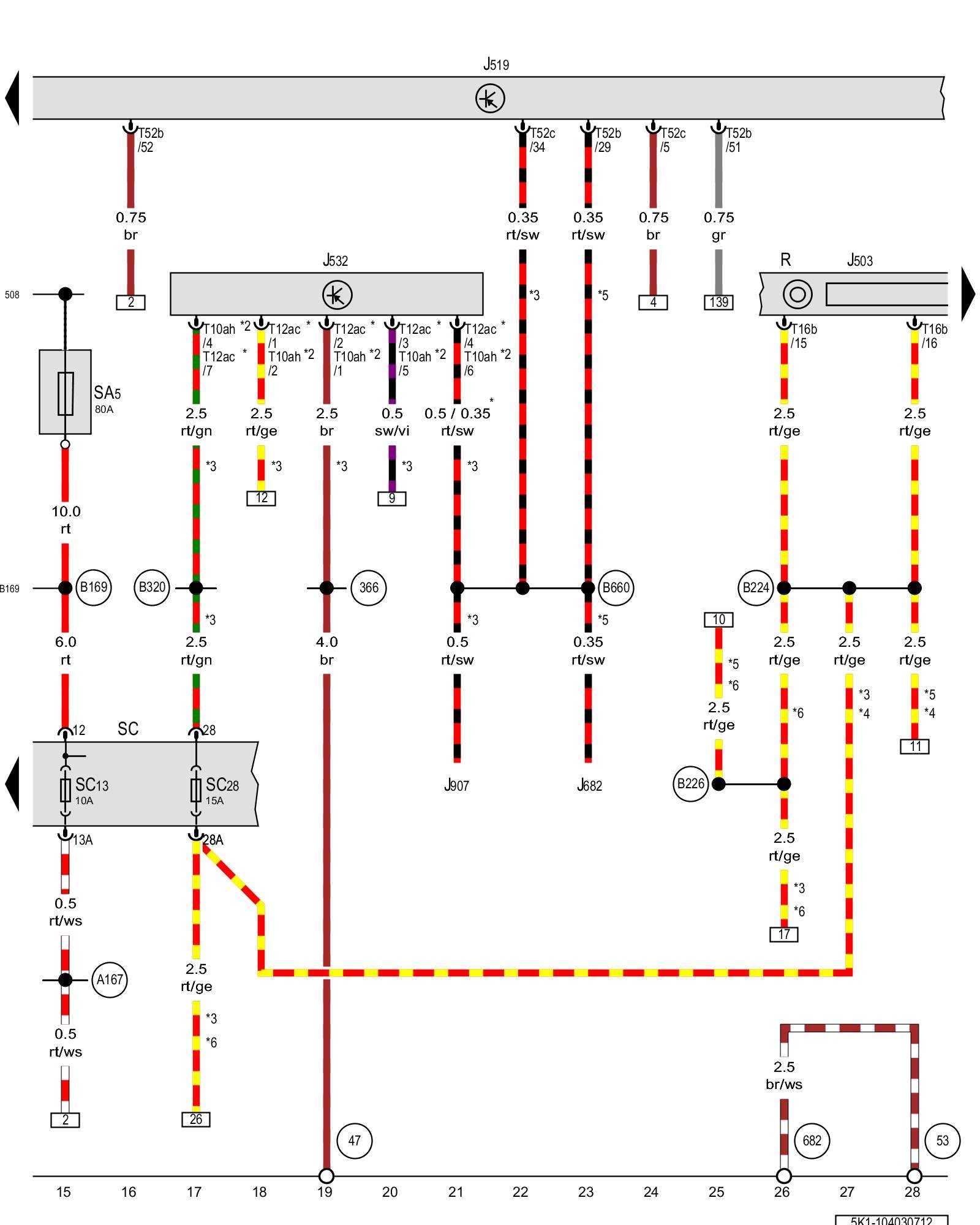
Diagram 104/3 (Tracks 15-28)
IMPORTANT NOTE:
This manufacturer uses "Track" style wiring diagrams.
For information on how to use these diagrams effectively, please refer to Diagram Information and Instructions. Diagram Information and Instructions
Radio/navigation display unit control module, Voltage stabilizer, Radio, Fuse 5 (on fuse panel A), Fuse panel C

ws = white
sw = black
ro = red
br = brown
gn = green
bl = blue
gr = grey
li = lilac
ge = yellow
or = orange
rs = pink
J503 - Radio/navigation display unit control module
Locations
J519 - Vehicle electrical system control module Control modules in front part of vehicle - Overview of Control Modules
J532 - Voltage stabilizer Control modules in front part of vehicle - Overview of Control Modules
J682 - Terminal 50 power supply relay Overview Of Relay Carrier
J907 - Starter relay 2 Overview Of Relay Carrier
R - Radio
Locations
SA5 - Fuse 5 (on fuse panel A) Fuse overview (SA), (SB), (SC)
SC - Fuse panel C Fuse overview (SA), (SB), (SC)
SC13 - Fuse 13 (on fuse panel C) Fuse overview (SA), (SB), (SC)
SC28 - Fuse 28 (on fuse panel C) Fuse overview (SA), (SB), (SC)
T10ah - 10-pin connector
T12ac - 12-pin connector
T16b - 16-pin connector
T52b - 52-pin connector
T52c - 52-pin connector
(47) - Ground connection in right front footwell Overview Of Ground Connections in Interior
(53) - Ground connection in rear lid, right Overview Of Ground Connections in Luggage Compartment
(366) - Ground connection 1 (in main wiring harness)
(508) - Terminal 30 threaded connection (on E-box)
(682) - Ground connection 2 in right rear side panel Overview Of Ground Connections in Luggage Compartment
(A167) - Positive connection 3 (30a) (in instrument panel wiring harness)
(B169) - Positive connection 1 (30) (in interior wiring harness)
(B224) - Radio connection 1 (in interior wiring harness)
(B226) - Radio connection 3 (in interior wiring harness)
(B320) - Positive connection 6 (30a) (in main wiring harness)
(B660) - Diagnostic terminal 50 connection (in main wiring harness)
* - from May 2011
*2 - through April 2011
*3 - Only for vehicles with Start/Stop system
*4 - Through October 2011
*5 - Only for vehicles without Start/Stop system
*6 - from November 2011
Previous Diagram 104/2 (Tracks 1-14)
Next Diagram 104/4 (Tracks 29-42)