Operation CHARM: Car repair manuals for everyone.

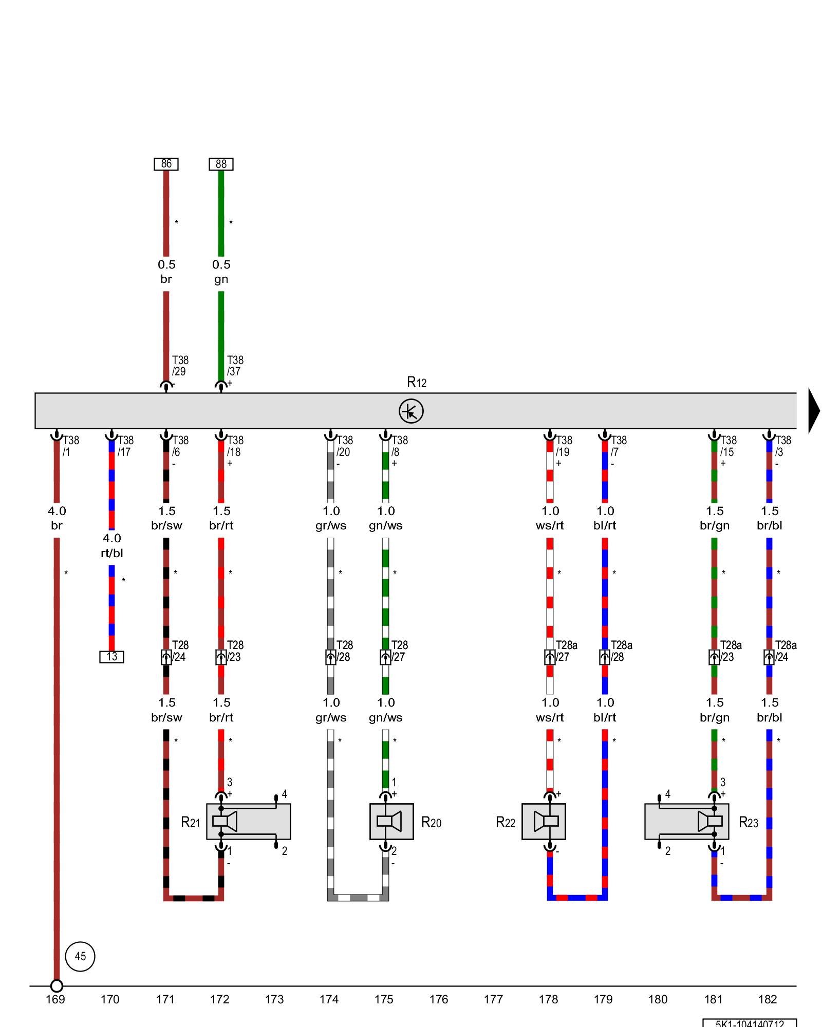
Diagram 104/14 (Tracks 169-182)






IMPORTANT NOTE:
This manufacturer uses "Track" style wiring diagrams.
For information on how to use these diagrams effectively, please refer to Diagram Information and Instructions. Diagram Information and Instructions


Amplifier, Left front treble speaker, Left front bass speaker, Right front treble speaker, Right front bass speaker





ws = white
sw = black
ro = red
br = brown
gn = green
bl = blue
gr = grey
li = lilac
ge = yellow
or = orange
rs = pink

R12 - Amplifier, under the driver seat
Locations

R20 - Left front treble speaker
Locations

R21 - Left front bass speaker
Locations

R22 - Right front treble speaker
Locations

R23 - Right front bass speaker
Locations

T28 - 28-pin connector, in the left A-pillar connector station Overview of connector stations and connectors

T28a - 28-pin connector, in the connector station, right A-pillar Overview of connector stations and connectors

T38 - 38-pin connector

(45) - Ground connection behind instrument panel, center

* - Only for vehicles with an amplifier

Previous Diagram 104/13 (Tracks 155-168)

Next Diagram 104/15 (Tracks 183-196)