Operation CHARM: Car repair manuals for everyone.

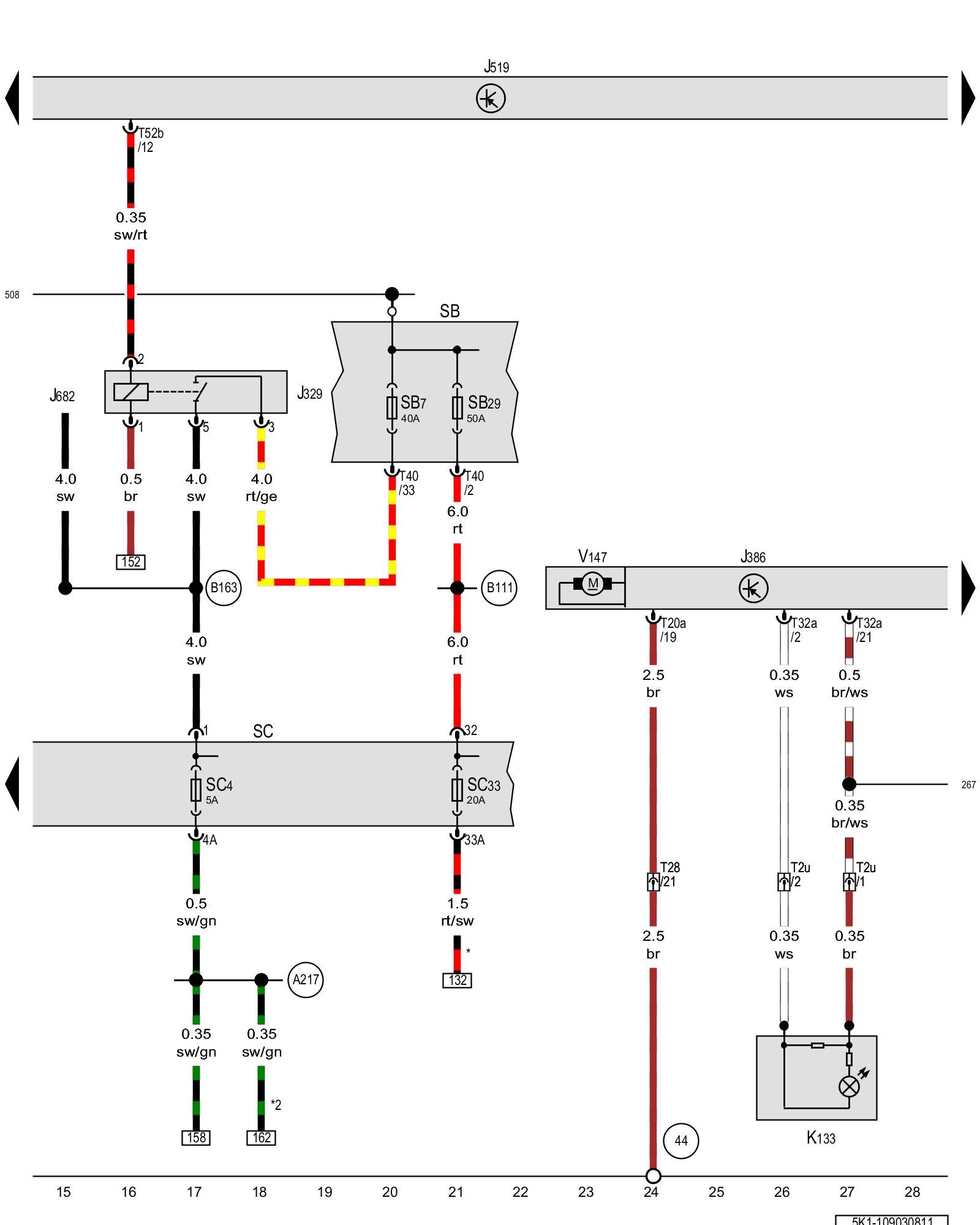
Diagram 109/3 (Tracks 15-28)






IMPORTANT NOTE:
This manufacturer uses "Track" style wiring diagrams.
For information on how to use these diagrams effectively, please refer to Diagram Information and Instructions. Diagram Information and Instructions


Terminal 15 power supply relay, Driver door control module, Central locking -SAFE- indicator lamp, Fuse panel B, Fuse panel C, Driver window regulator motor





ws = white
sw = black
ro = red
br = brown
gn = green
bl = blue
gr = grey
li = lilac
ge = yellow
or = orange
rs = pink

J329 - Terminal 15 power supply relay Overview Of Relay Carrier

J386 - Driver door control module Locations Driver Door Control Module -J386-

J519 - Vehicle electrical system control module Control modules in front part of vehicle - Overview of Control Modules

J682 - Terminal 50 power supply relay Overview Of Relay Carrier

K133 - Central locking -SAFE- indicator lamp Anti-Theft System

SB - Fuse panel B Fuse overview (SA), (SB), (SC)

SC4 - Fuse 4 (on fuse panel C) Fuse overview (SA), (SB), (SC)

SB7 - Fuse 7 (on fuse panel B) Fuse overview (SA), (SB), (SC)

SB29 - Fuse 29 (on fuse panel B) Fuse overview (SA), (SB), (SC)

SC - Fuse panel C Fuse overview (SA), (SB), (SC)

SC33 - Fuse 33 (on fuse panel C) Fuse overview (SA), (SB), (SC)

T2u - Double connector, in the driver door

T20a - 20-pin connector

T28 - 28-pin connector, in the left A-pillar connector station Overview of connector stations and connectors

T32a - 32-pin connector

T40 - 40-pin connector

T52b - 52-pin connector

V147 - Driver window regulator motor

(44) - Ground connection on A-pillar, lower left

(267) - Ground connection 2 (in driver door wiring harness)

(508) - Terminal 30 threaded connection (on E-box)

(A217) - Positive connection 8 (15a) (in instrument panel wiring harness)

(B111) - Positive connection 1 (30a) (in interior wiring harness)

(B163) - Positive connection 1 (15) (in interior wiring harness)

* - Only for vehicles with a sunroof

*2 - Only for vehicles with high beam assist

Previous Diagram 109/2 (Tracks 1-14)

Next Diagram 109/4 (Tracks 29-42)