Operation CHARM: Car repair manuals for everyone.

Power Seat Angle Adjustment Unit







Power Seat Angle Adjustment Unit

Removal and installation of seat inclination adjuster is described for left backrest frame. Removal and installation of the right seat inclination adjuster is performed in the same way.

Removing

- Mount the fixture for seat repair (VAS 6136) on the engine and transmission holder (VAS 6095).

- Remove the front seat. Refer to => [ Front Seat ] Front Seat.

- Attach the seat to the fixture for seat repair (VAS 6136).

- Remove front right seat trim. Refer to => [ Right Seat Trim ] Right Seat Trim

- Remove left power seat trim. Refer to => [ Left Power Seat Trim ] Left Power Seat Trim

- Remove retainer and power seat bracket. Refer to => [ Power Seat Bracket and Support ] Power Seat Bracket and Support

- Remove front seat drawer mount. Refer to => [ Seat Drawer Mount ] Seat Drawer Mount

- Remove front seat backrest. Refer to => [ Left Front Seat Backrest ] Left Front Seat Backrest

- Remove cover and cushion from front seat backrests. Refer to => [ Front Seat Pan Covers and Cushion ] Front Seat Pan Covers and Cushion

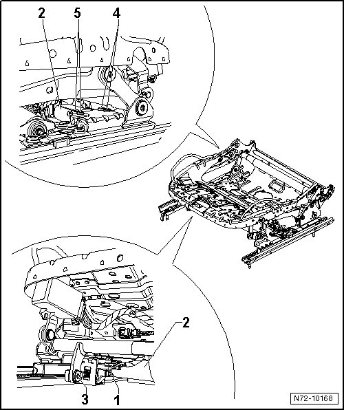
- Disconnect wiring harness - 1 - from inclination adjuster - 2 -.

- Remove the bolt - 3 -.

- Remove the two sets of bolts - 4 - and - 5 -.

- Remove inclination adjustment - 2 - from seat frame.






Installing

- Install in reverse order of removal.