Operation CHARM: Car repair manuals for everyone.

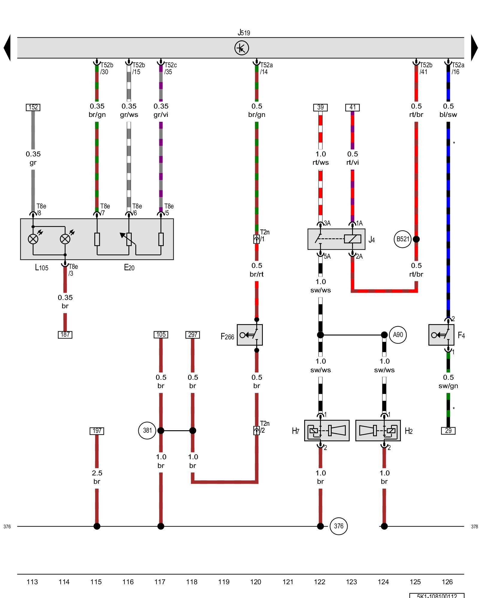
Diagram 108/10 (Tracks 113-126)






IMPORTANT NOTE:
This manufacturer uses "Track" style wiring diagrams.
For information on how to use these diagrams effectively, please refer to Diagram Information and Instructions. Diagram Information and Instructions


Instrument panel and switch illumination dimmer switch, Back-up lamp switch, Engine hood contact switch, High tone horn, Low tone horn, Dual tone horn relay





ws = white
sw = black
ro = red
br = brown
gn = green
bl = blue
gr = grey
li = lilac
ge = yellow
or = orange
rs = pink

E20 - Instrument panel and switch illumination dimmer switch

F4 - Back-up lamp switch
Direct Shift Gearbox (DSG)

F266 - Engine hood contact switch Locations

H2 - High tone horn Anti-Theft System

H7 - Low tone horn Anti-Theft System

J4 - Dual tone horn relay Overview Of Relay Carrier

J519 - Vehicle electrical system control module Control modules in front part of vehicle - Overview of Control Modules

L105 - Lighting control illumination bulb

T2n - Double connector, near the left headlamp

T8e - 8-pin connector

T52a - 52-pin connector

T52b - 52-pin connector

T52c - 52-pin connector

(376) - Ground connection 11 (in main wiring harness)

(378) - Ground connection 13 (in main wiring harness)

(381) - Ground connection 16 (in main wiring harness)

(A90) - Dual tone horn connection (in instrument panel wiring harness)

(B521) - Dual tone horn connection (in main wiring harness)

* - only for vehicles with dual clutch transmission

Previous Diagram 108/9 (Tracks 99-112)

Next Diagram 108/11 (Tracks 127-140)