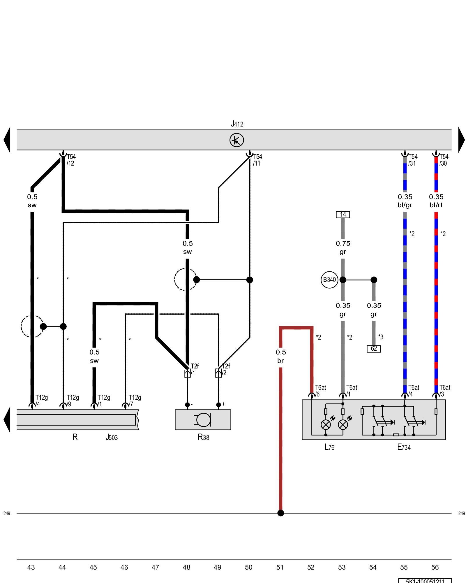
Diagram 100/5 (Tracks 43-56)
IMPORTANT NOTE:
This manufacturer uses "Track" style wiring diagrams.
For information on how to use these diagrams effectively, please refer to Diagram Information and Instructions. Diagram Information and Instructions
Telematics button module, Cell phone operating electronics control module, Radio/navigation display unit control module, Radio, Telephone microphone

ws = white
sw = black
ro = red
br = brown
gn = green
bl = blue
gr = grey
li = lilac
ge = yellow
or = orange
rs = pink
E734 - Telematics button module
J412 - Cell phone operating electronics control module, in the right front footwell Control Modules in The Rear Of The Vehicle
J503 - Radio/navigation display unit control module
Locations
L76 - Push button illumination bulb
R - Radio
Locations
R38 - Telephone microphone
T2f - Double connector, near the front interior lamp Overview of connector stations and connectors
T6at - 6-pin connector
T12g - 12-pin connector
T54 - 54-pin connector
(249) - Ground connection 2 (in interior wiring harness)
(B340) - Connection 1 (58d) (in main wiring harness)
* - Only with radio navigation system and voice recognition system
*2 - Only for vehicles with button module
*3 - Only for vehicles with telephone charging station
Previous Diagram 100/4 (Tracks 29-42)
Next Diagram 100/6 (Tracks 57-70)