Operation CHARM: Car repair manuals for everyone.

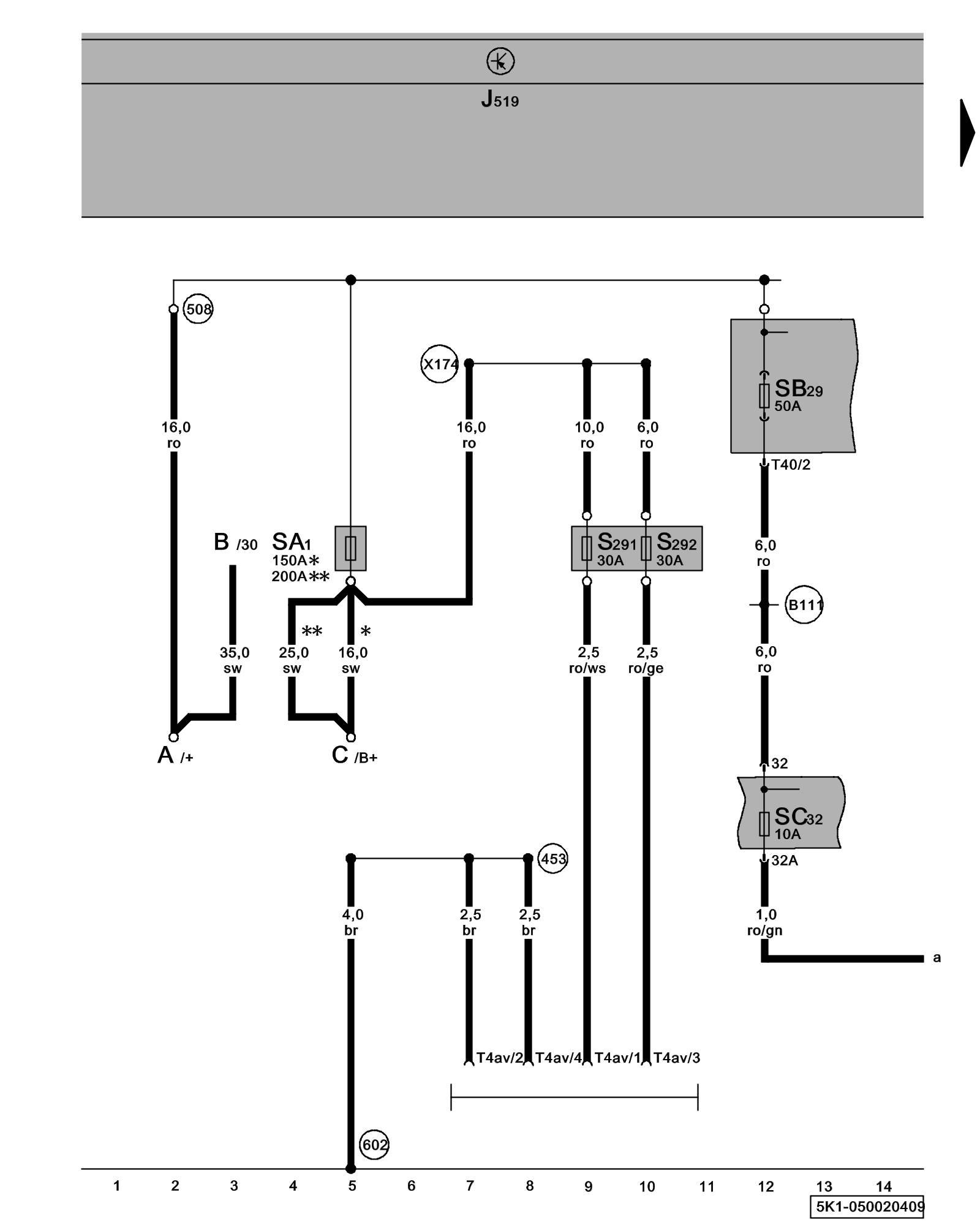
Diagram 50/2 (Tracks 1-14)






IMPORTANT NOTE:
This manufacturer uses "Track" style wiring diagrams.
For information on how to use these diagrams effectively, please refer to Diagram Information and Instructions. Diagram Information and Instructions


Fuses, Power Supply Loading Assist





ws = white
sw = black
ro = red
br = brown
gn = green
bl = blue
gr = grey
li = lilac
ge = yellow
or = orange
rs = pink

A - Battery

B - Starter

C - Generator (GEN)

J519 - Vehicle Electrical System Control Module Control modules in front part of vehicle - Overview of Control Modules

S291 - Special Purpose Vehicle Fuse 1, in fuse panel, on left headlamp

S292 - Special Purpose Vehicle Fuse 2, in fuse panel, on left headlamp

SA1 - Fuse 1 (on fuse panel A) Fuse overview (SA), (SB), (SC)

SB29 - Fuse 29 (on fuse panel B) Fuse overview (SA), (SB), (SC)

SC32 - Fuse 32 (on fuse panel C) Fuse overview (SA), (SB), (SC)

T4av - 4-Pin Connector, loading assist power supply, left lower A-pillar

T40 - 40-Pin Connector

(453) - Ground Connection 3 (in optional equipment wiring harness)

(508) - Threaded Connection terminal 30 (on electronics box)

(602) - Ground Connection (in front left footwell) Overview Of Ground Connections in Interior

(X174) - Plus Connection 8 (30) (in optional equipment wiring harness)

* - Models with 90 A/ 120 A generator

** - Models with 140 A generator

Next Diagram 50/3 (Tracks 15-28)