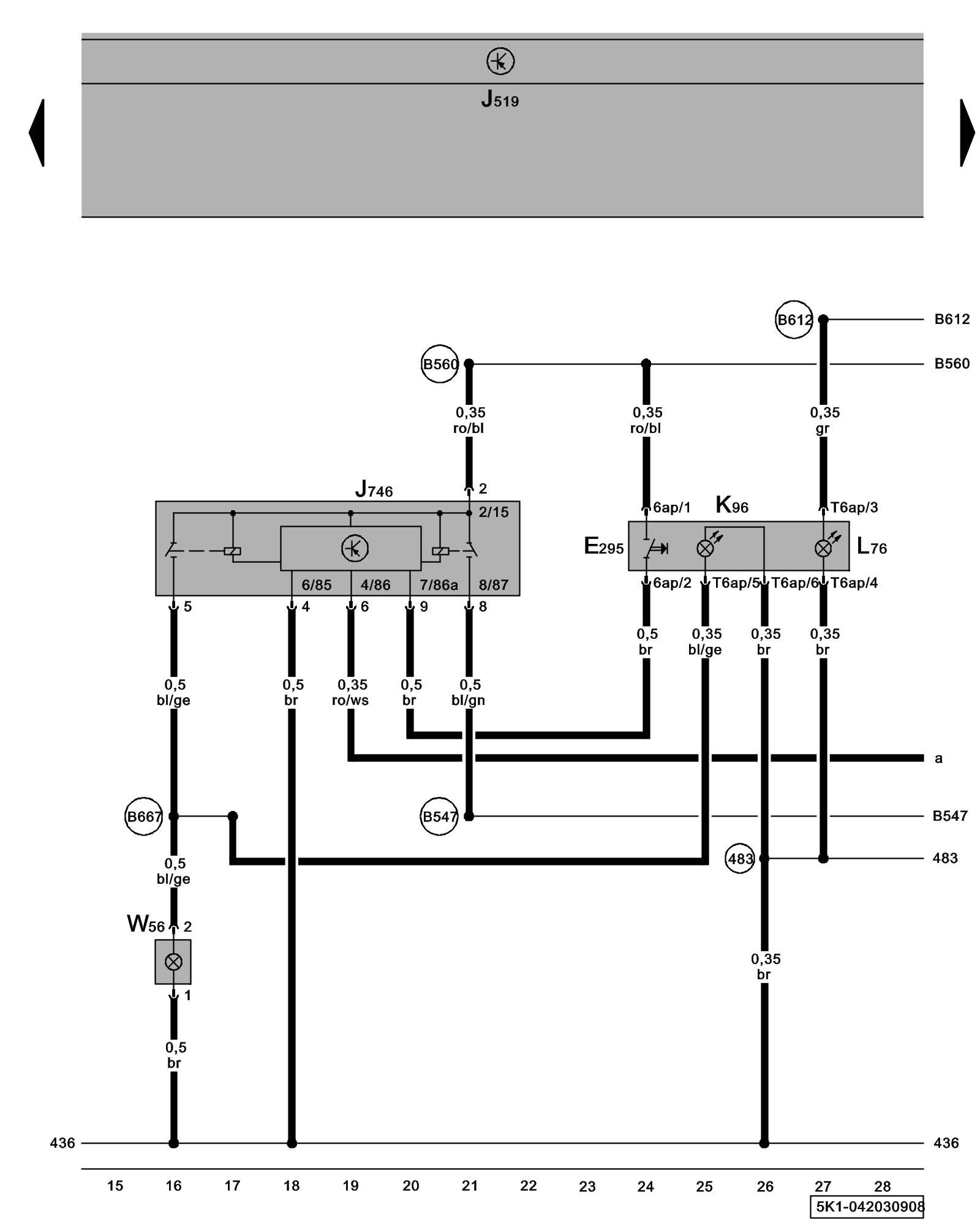
Diagram 42/3 (Tracks 15-28)
IMPORTANT NOTE:
This manufacturer uses "Track" style wiring diagrams.
For information on how to use these diagrams effectively, please refer to Diagram Information and Instructions. Diagram Information and Instructions
Driving School Operation Relay, Footwell Illumination Switch, Driving School Footwell Illumination

ws = white
sw = black
ro = red
br = brown
gn = green
bl = blue
gr = grey
li = lilac
ge = yellow
or = orange
rs = pink
E295 - Footwell Illumination Switch
J519 - Vehicle Electrical System Control Module Control modules in front part of vehicle - Overview of Control Modules
J746 - Driving School Operation Relay
K96 - Warning Lamp
L76 - Push Button Illumination
T6ap - 6-Pin Connector
(483) - Ground Connection 3 (in driving school wiring harness)
(B547) - Connection 1 (in driving school wiring harness)
(B560) - Plus Connection 1 (30g) (in driving school wiring harness)
(B612) - Plus Connection (58d) (in driving school wiring harness)
(B667) - Connection 2 (in driving school wiring harness)
Previous Diagram 42/2 (Tracks 1-14)
Next Diagram 42/4 (Tracks 29-42)