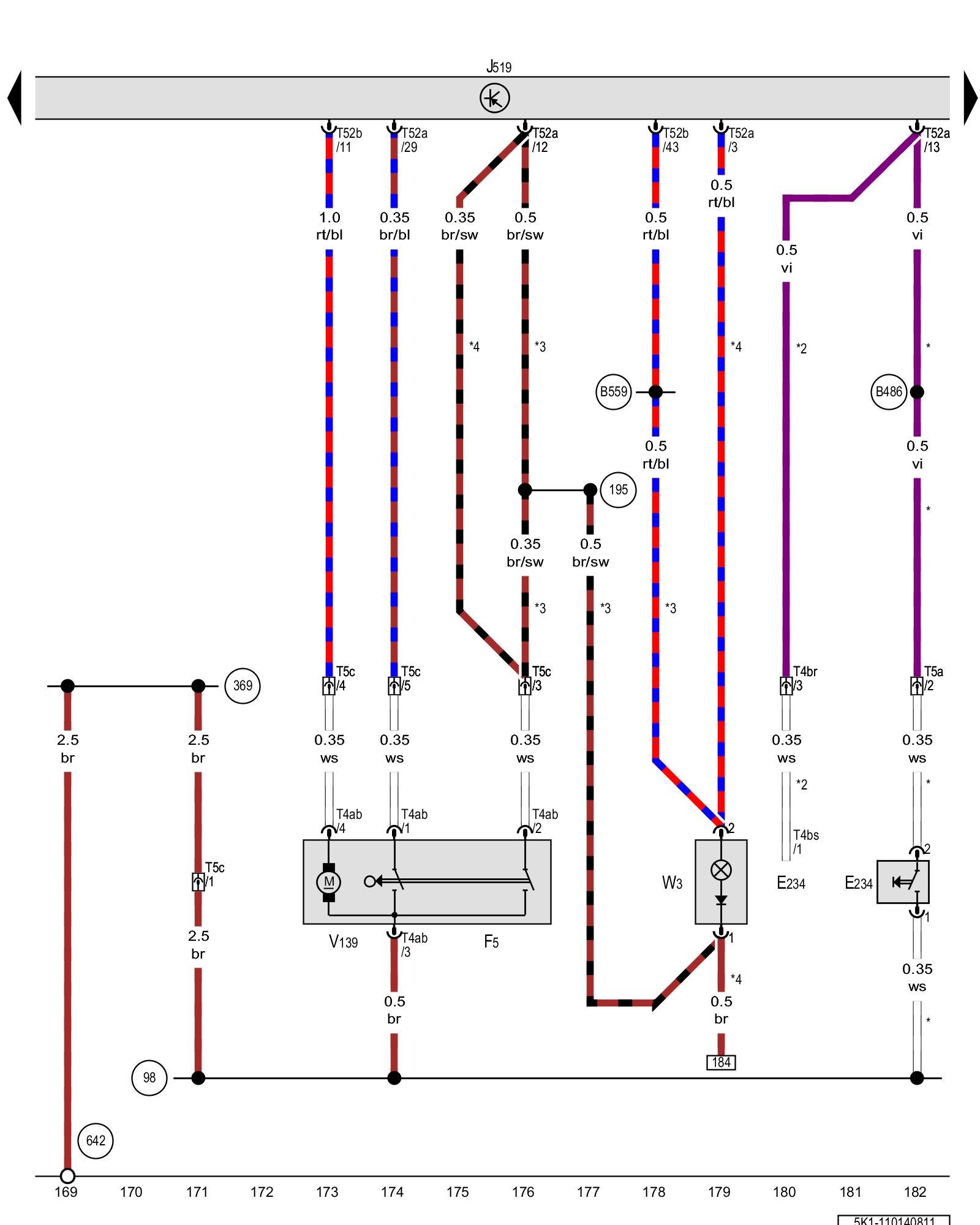
Diagram 110/14 (Tracks 169-182)
IMPORTANT NOTE:
This manufacturer uses "Track" style wiring diagrams.
For information on how to use these diagrams effectively, please refer to Diagram Information and Instructions. Diagram Information and Instructions
Release button in rear lid handle, Luggage compartment lamp switch, Rear lid unlock motor, Luggage compartment lamp

ws = white
sw = black
ro = red
br = brown
gn = green
bl = blue
gr = grey
li = lilac
ge = yellow
or = orange
rs = pink
E234 - Release button in rear lid handle
F5 - Luggage compartment lamp switch Locations
J519 - Vehicle electrical system control module Control modules in front part of vehicle - Overview of Control Modules
T4ab - 4-pin connector
T4br - 4-pin connector, behind the right C-pillar trim panel Overview of connector stations and connectors
T4bs - 4-pin connector
T5a - 5-pin connector, in the left rear side panel Overview of connector stations and connectors
T5c - 5-pin connector, in the left rear side panel Overview of connector stations and connectors
T52a - 52-pin connector
T52b - 52-pin connector
V139 - Rear lid unlock motor Locations
W3 - Luggage compartment lamp
(98) - Ground connection (in rear lid wiring harness)
(195) - Ground connection (in rear door contact switch wiring harness)
(369) - Ground connection 4 (in main wiring harness)
(642) - Electronic fan control ground connection
(B486) - Connection 22 (in main wiring harness)
(B559) - Positive connection 1 (30g) (in main wiring harness)
* - Only for vehicles without a rearview camera system
*2 - Only for vehicles with a rearview camera system
*3 - Through April 2011
*4 - From May 2011
Previous Diagram 110/13 (Tracks 155-168)
Next Diagram 110/15 (Tracks 183-196)