Operation CHARM: Car repair manuals for everyone.

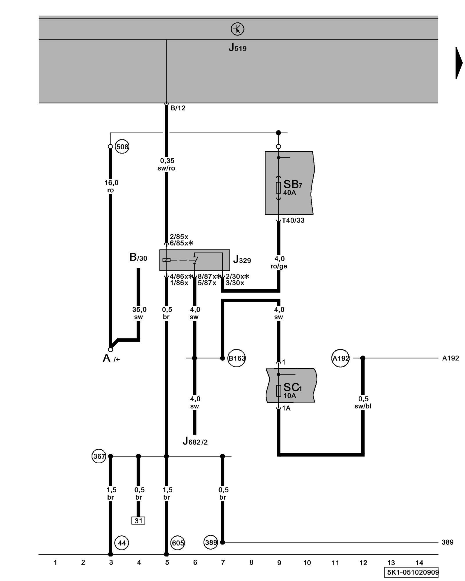
Diagram 51/2 (Tracks 1-14)






IMPORTANT NOTE:
This manufacturer uses "Track" style wiring diagrams.
For information on how to use these diagrams effectively, please refer to Diagram Information and Instructions. Diagram Information and Instructions


Power Supply Relay (terminal 15)





ws = white
sw = black
ro = red
br = brown
gn = green
bl = blue
gr = grey
li = lilac
ge = yellow
or = orange
rs = pink

A - Battery

B - Starter

J329 - Power Supply Relay (terminal 15) (53) Overview Of Relay Carrier

J519 - Vehicle Electrical System Control Module Control modules in front part of vehicle - Overview of Control Modules

J682 - Power Supply Relay (terminal 50) Overview Of Relay Carrier

SB7 - Fuse 7 (on fuse panel B) Fuse overview (SA), (SB), (SC)

SC1 - Fuse 1 (on fuse panel C) Fuse overview (SA), (SB), (SC)

T40 - 40-Pin Connector

(44) - Ground Connection (on left lower A-pillar) Overview Of Ground Connections in Interior

(367) - Ground Connection 2 (in main wiring harness)

(389) - Ground Connection 24 (in main wiring harness)

(508) - Threaded Connection terminal 30 (on electronics box)

(605) - Ground Connection (on upper steering column) Overview Of Ground Connections in Interior

(A192) - Plus Connection 3 (15a) (in instrument panel wiring harness)

(B163) - Plus Connection 1 (15) (in interior wiring harness)

x - From November 2009

x* - Through October 2009

Next Diagram 51/3 (Tracks 15-28)