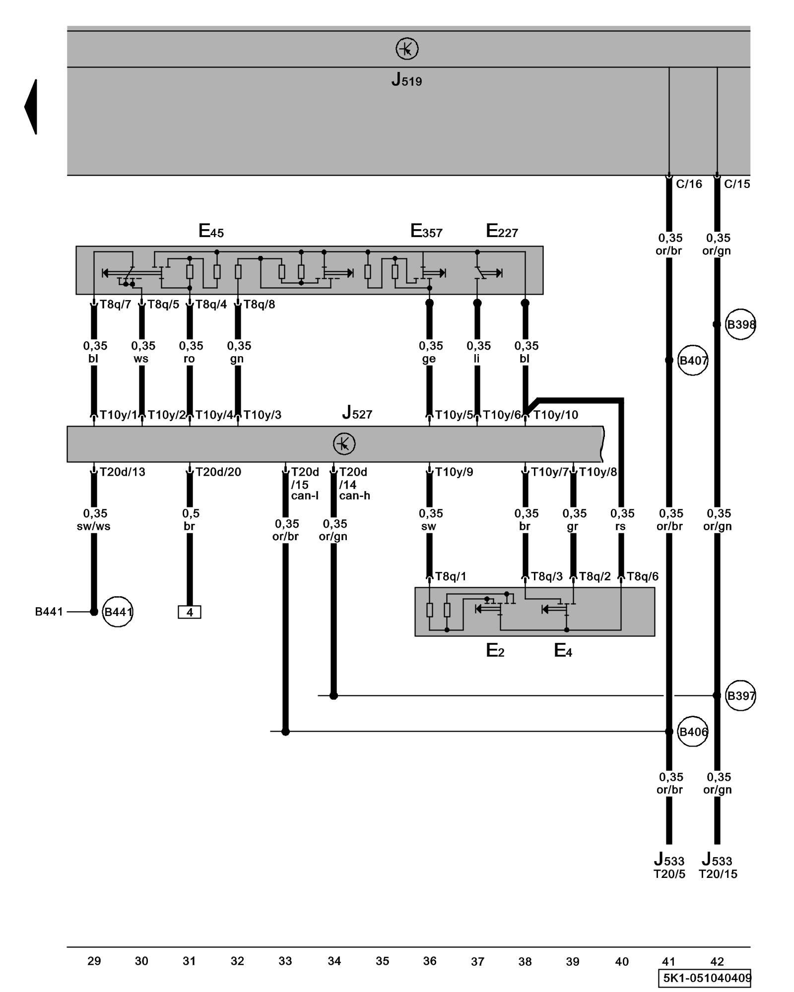
Diagram 51/4 (Tracks 29-42)
IMPORTANT NOTE:
This manufacturer uses "Track" style wiring diagrams.
For information on how to use these diagrams effectively, please refer to Diagram Information and Instructions. Diagram Information and Instructions
Steering Column Electronic Systems Control Module, Cruise Control Switch, Automatic Distance Control Button, Cruise Control -SET- Button, Turn Signal Switch, Headlamp Dimmer/Flasher Switch

ws = white
sw = black
ro = red
br = brown
gn = green
bl = blue
gr = grey
li = lilac
ge = yellow
or = orange
rs = pink
E2 - Turn Signal Switch
E4 - Headlamp Dimmer/Flasher Switch
E45 - Cruise Control Switch
E227 - Cruise Control -SET- Button
E357 - Automatic Distance Control Button
J519 - Vehicle Electrical System Control Module Control modules in front part of vehicle - Overview of Control Modules
J527 - Steering Column Electronic Systems Control Module Control modules in front part of vehicle - Overview of Control Modules
J533 - Data Bus On Board Diagnostic Interface, in left footwell, near center console Control modules in front part of vehicle - Overview of Control Modules
T8q - 8-Pin Connector
T10y - 10-Pin Connector
T20 - 20-Pin Connector
(B397) - Comfort System CAN-Bus High Connection 1 (in main wiring harness)
(B398) - Comfort System CAN-Bus High Connection 2 (in main wiring harness)
(B406) - Comfort System CAN-Bus Low Connection 1 (in main wiring harness)
(B407) - Comfort System CAN-Bus Low Connection 2 (in main wiring harness)
(B441) - Cruise Control Connection (in main wiring harness)
Previous Diagram 51/3 (Tracks 15-28)