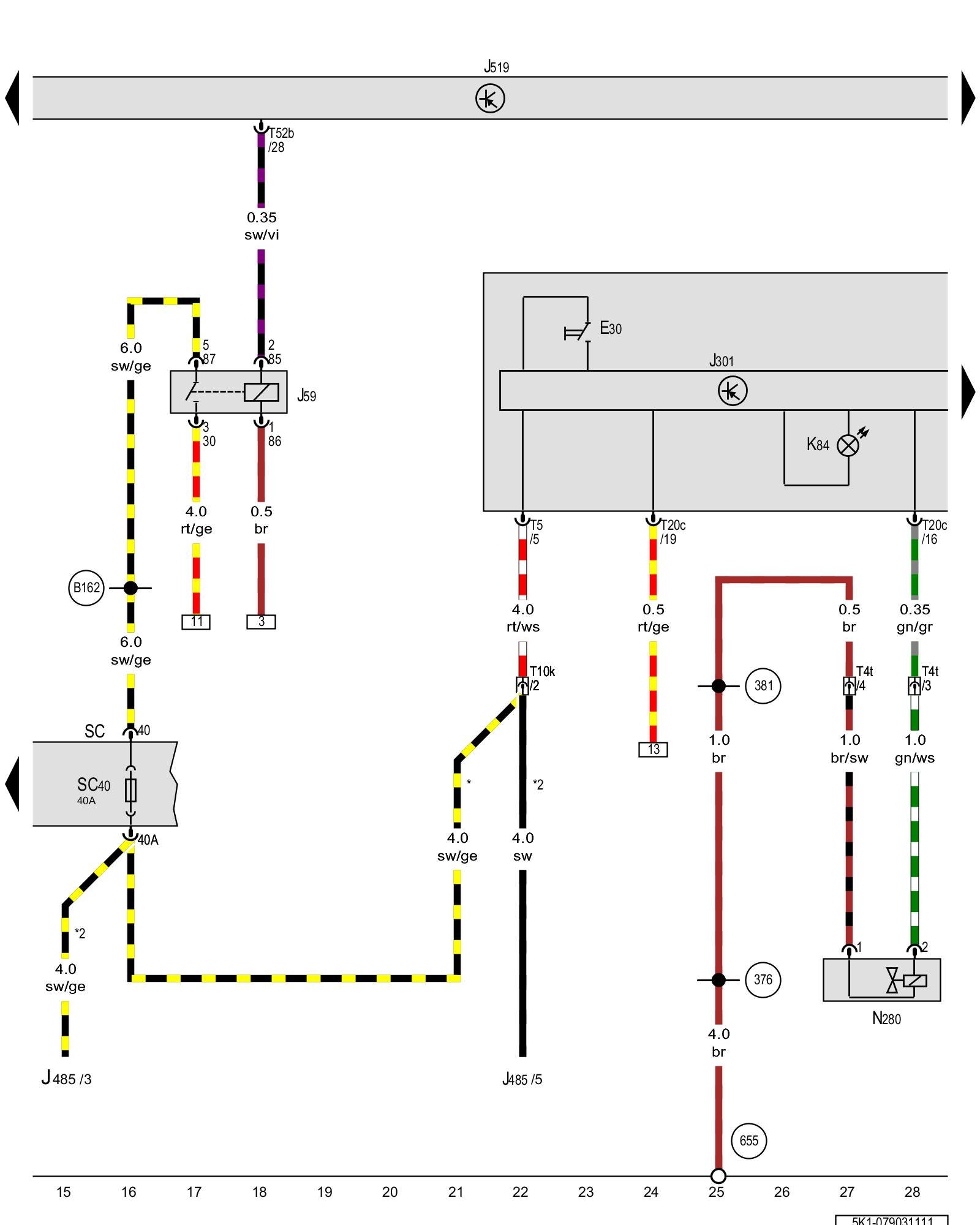
Diagram 79/3 (Tracks 15-28)
IMPORTANT NOTE:
This manufacturer uses "Track" style wiring diagrams.
For information on how to use these diagrams effectively, please refer to Diagram Information and Instructions. Diagram Information and Instructions
Load reduction relay, A/C control module, A/C compressor regulator valve, Fuse panel C

ws = white
sw = black
ro = red
br = brown
gn = green
bl = blue
gr = grey
li = lilac
ge = yellow
or = orange
rs = pink
E30 - A/C switch
J59 - Load reduction relay Overview Of Relay Carrier
J301 - A/C control module, in the instrument panel, center Climatic (Manual Climate Control) A/C System w/ Manual Control Overview A/C Control Module -J301-
J485 - Auxiliary heater operation relay Overview Of Relay Carrier
J519 - Vehicle electrical system control module Control modules in front part of vehicle - Overview of Control Modules
K84 - A/C system indicator lamp
N280 - A/C compressor regulator valve Locations [1][2]Diagrams
SC - Fuse panel C Fuse overview (SA), (SB), (SC)
SC40 - Fuse 40 (on fuse panel C) Fuse overview (SA), (SB), (SC)
T4t - 4-pin connector, near the starter Overview of connector stations and connectors
T5 - 5-pin connector
T10k - 10-pin connector, behind the instrument panel, right Overview of connector stations and connectors
T20c - 20-pin connector
T52b - 52-pin connector
(376) - Ground connection 11 (in main wiring harness)
(381) - Ground connection 16 (in main wiring harness)
(655) - Ground connection on left headlamp Overview Of Ground Connections in Engine Compartment
(B162) - Connection (75a) (in interior wiring harness)
* - Only for vehicles without auxiliary water heater
*2 - Only for vehicles with auxiliary water heater
Previous Diagram 79/2 (Tracks 1-14)
Next Diagram 79/4 (Tracks 29-42)