Operation CHARM: Car repair manuals for everyone.

Diagram 7/8 (Tracks 85-98)






IMPORTANT NOTE:
This manufacturer uses "Track" style wiring diagrams.
For information on how to use these diagrams effectively, please refer to Diagram Information and Instructions. Diagram Information and Instructions


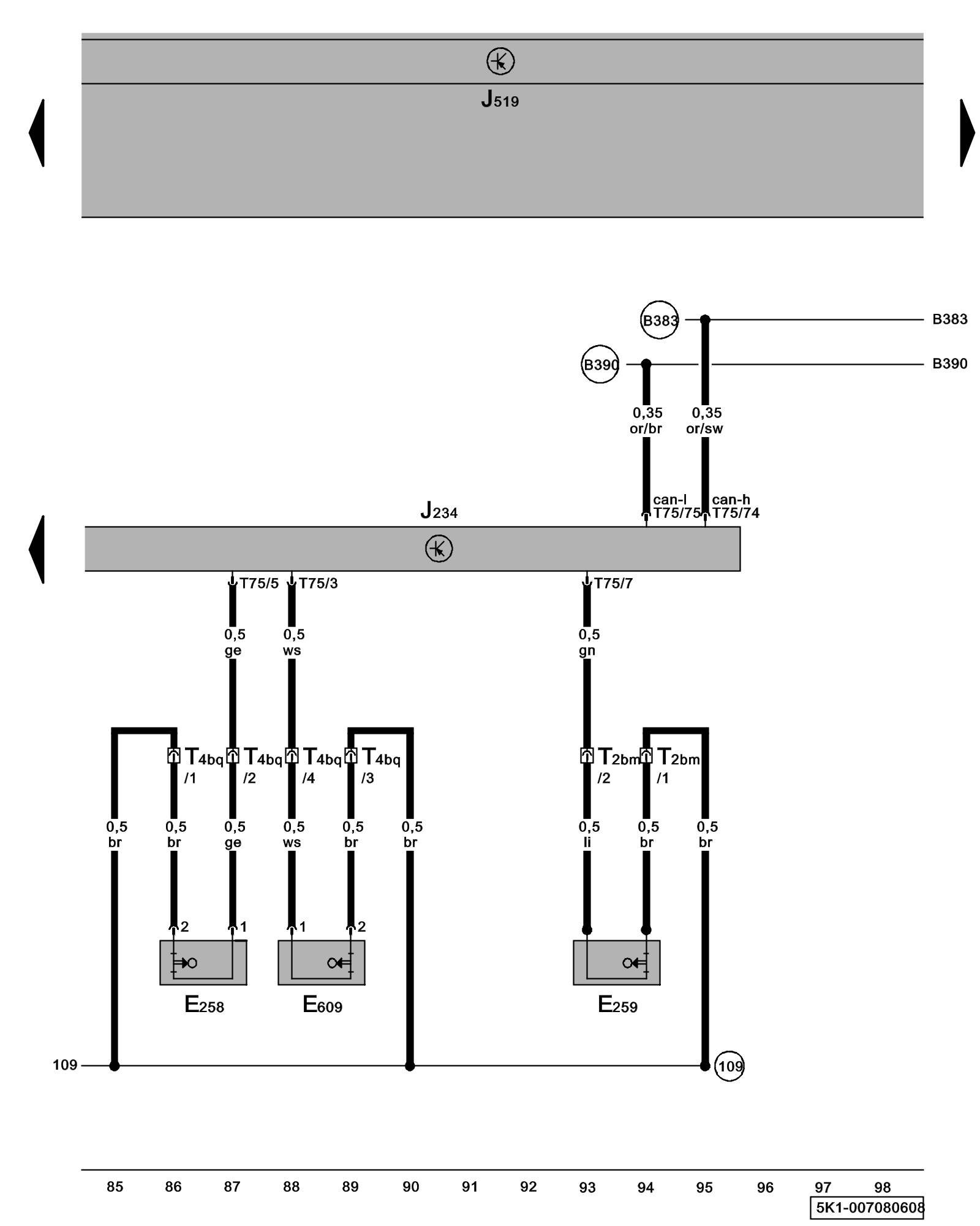
Airbag Control Module, Rear Seat Belt Switch





ws = white
sw = black
ro = red
br = brown
gn = green
bl = blue
gr = grey
li = lilac
ge = yellow
or = orange
rs = pink

E258 - Rear Seat Belt Switch (on Driver Side)

E259 - Rear Seat Belt Switch (on Front Passenger Side)

E609 - Rear Center Seat Belt Switch

J234 - Airbag Control Module, behind lower console Control modules in front part of vehicle - Overview of Control Modules

J519 - Vehicle Electrical System Control Module Control modules in front part of vehicle - Overview of Control Modules

T2bm - Double Connector, below rear seat

T4bq - 4-Pin Connector, below rear seat

T75 - 75-Pin Connector

(109) - Ground Connection (in airbag wiring harness)

(B383) - Powertrain CAN-Bus High Connection 1 (in main wiring harness)

(B390) - Powertrain CAN-Bus Low Connection 1 (in main wiring harness)

Previous Diagram 7/7 (Tracks 71-84)

Next Diagram 7/9 (Tracks 99-112)