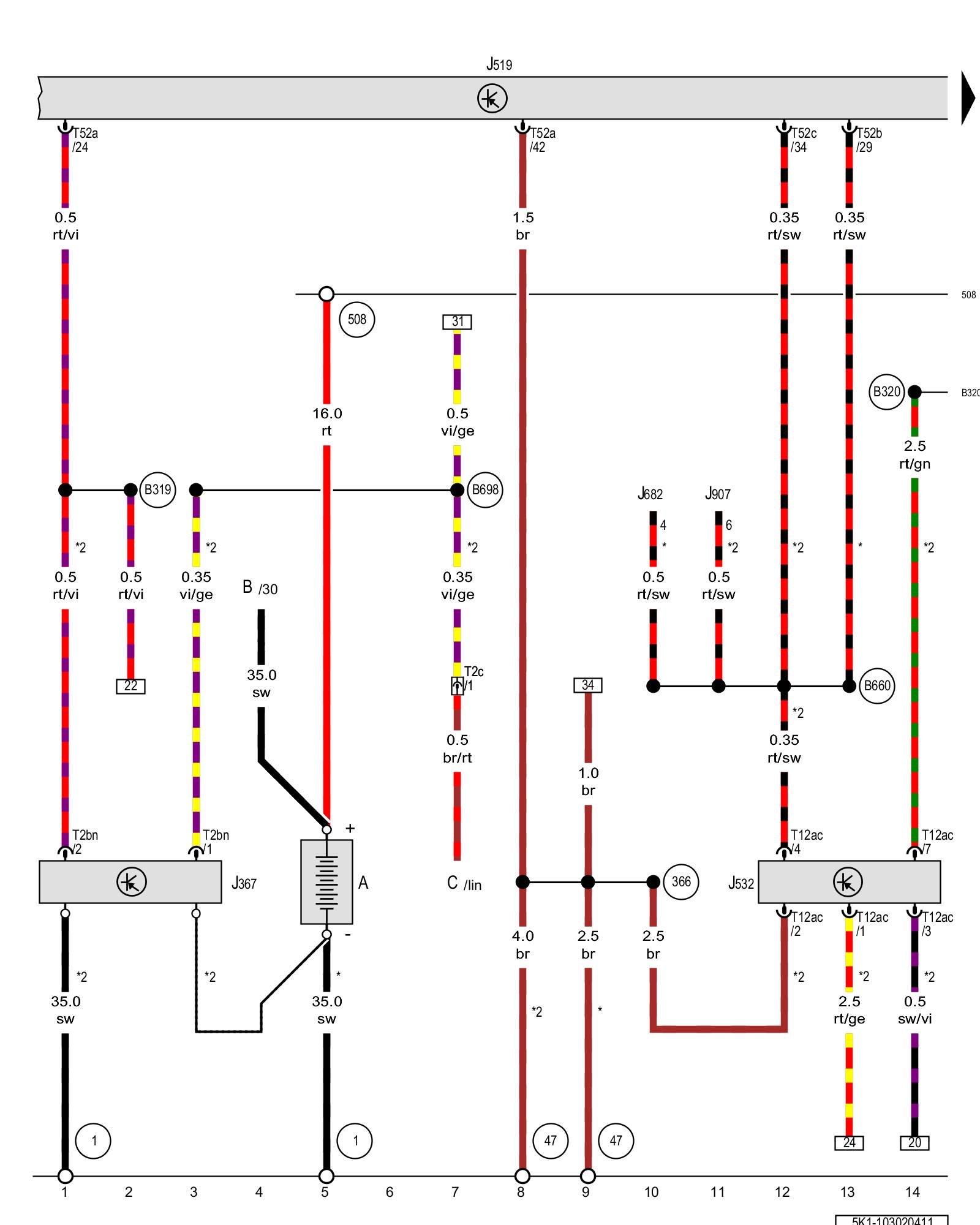
Diagram 103/2 (Tracks 1-14)
IMPORTANT NOTE:
This manufacturer uses "Track" style wiring diagrams.
For information on how to use these diagrams effectively, please refer to Diagram Information and Instructions. Diagram Information and Instructions
Battery, Battery monitoring control module, Voltage stabilizer

ws = white
sw = black
ro = red
br = brown
gn = green
bl = blue
gr = grey
li = lilac
ge = yellow
or = orange
rs = pink
A - Battery
B - Starter
C - Generator
J367 - Battery monitoring control module
J519 - Vehicle electrical system control module Control modules in front part of vehicle - Overview of Control Modules
J532 - Voltage stabilizer
J682 - Terminal 50 power supply relay Overview Of Relay Carrier
J907 - Starter relay 2 Overview Of Relay Carrier
T2bn - Double connector
T2c - Double connector, near the starter Overview of connector stations and connectors
T12ac - 12-pin connector
T52a - 52-pin connector
T52b - 52-pin connector
T52c - 52-pin connector
(1) - Ground strap, battery to body
(47) - Ground connection in right front footwell
(366) - Ground connection 1 (in main wiring harness)
(508) - Terminal 30 threaded connection (on E-box)
(B319) - Positive connection 5 (30a) (in main wiring harness)
(B320) - Positive connection 6 (30a) (in main wiring harness)
(B660) - Diagnostic terminal 50 connection (in main wiring harness)
(B698) - LIN bus connection 3 (in main wiring harness)
* - Only for vehicles without Start/Stop system
*2 - Only for vehicles with Start/Stop system
Next Diagram 103/3 (Tracks 15-28)