Operation CHARM: Car repair manuals for everyone.

Diagram 9/2 (Tracks 1-14)






IMPORTANT NOTE:
This manufacturer uses "Track" style wiring diagrams.
For information on how to use these diagrams effectively, please refer to Diagram Information and Instructions. Diagram Information and Instructions


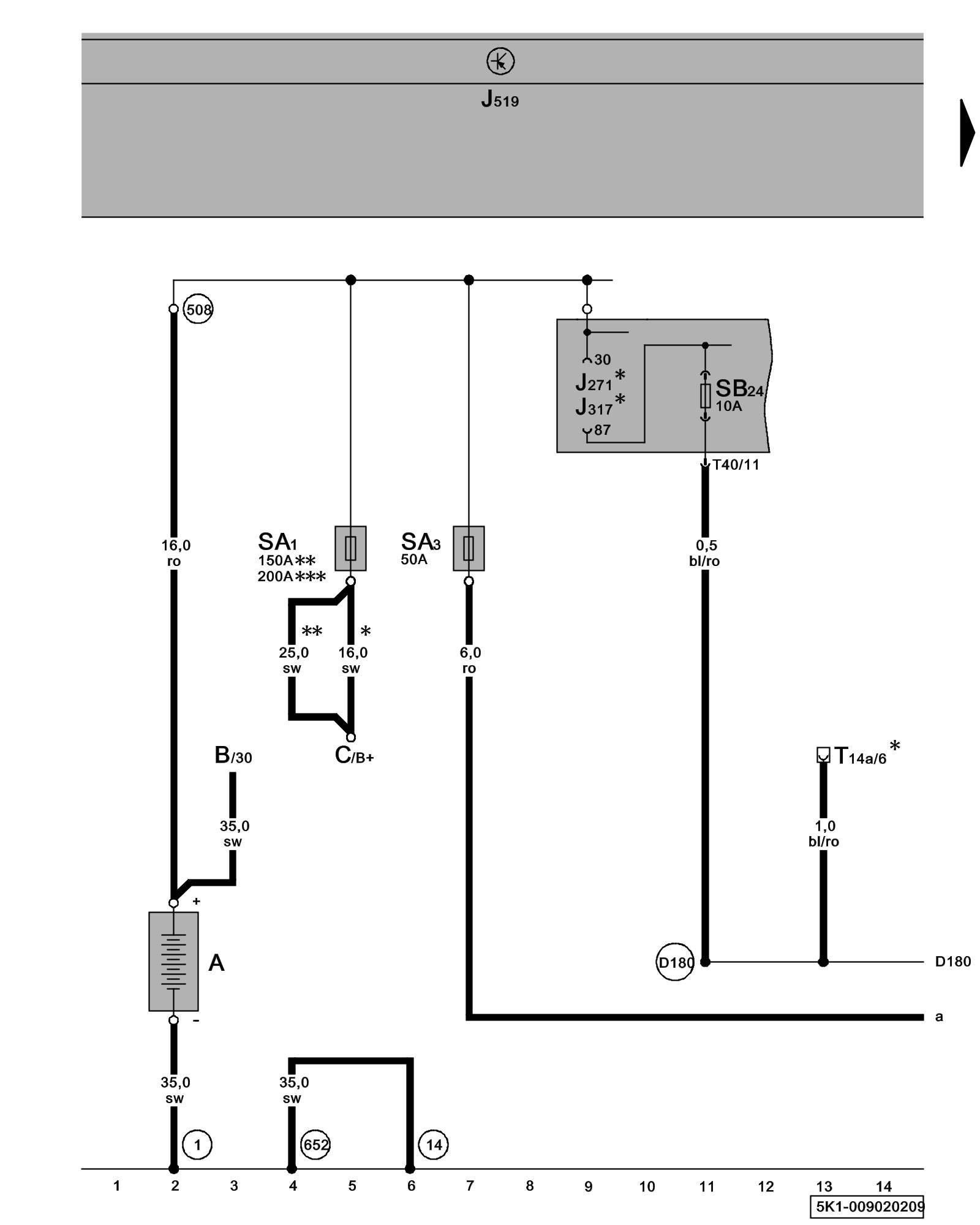
Power Supply Relay (terminal 30), Battery





ws = white
sw = black
ro = red
br = brown
gn = green
bl = blue
gr = grey
li = lilac
ge = yellow
or = orange
rs = pink

A - Battery

B - Starter

C - Generator (GEN)

J271 - Motronic Engine Control Module (ECM) Power Supply Relay, on electronics box, in engine compartment, left (100) Overview Of Relay Carrier

J317 - Power Supply Relay (terminal 30), on Electronics Box, in engine compartment, left (100) Overview Of Relay Carrier

J519 - Vehicle Electrical System Control Module Control modules in front part of vehicle - Overview of Control Modules

SA1 - Fuse 1 (on fuse panel A) Fuse overview (SA), (SB), (SC)

SA3 - Fuse 3 (on fuse panel A) Fuse overview (SA), (SB), (SC)

SB24 - Fuse 24 (on fuse panel B) Fuse overview (SA), (SB), (SC)

T14a - 14-Pin Connector, near battery Overview of connector stations and connectors

T40 - 40-Pin Connector

(1) - Ground strap, battery to body Overview Of Ground Connections in Engine Compartment

(14) - Ground Connection on transmission

(508) - Threaded Connection terminal 30 (on electronics box)

(652) - Transmission/Engine Ground Connection Overview Of Ground Connections in Engine Compartment

(D180) - Connection (87a) (in engine compartment wiring harness)

** - Models with 90 A/ 120 A generator

*** - Models with 140 A generator

* - => Wiring Diagram engine

Next Diagram 9/3 (Tracks 15-28)