Cylinder Head Cover Overview
Cylinder Head Cover Overview

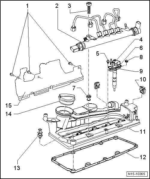
1 Bolt
• 5 Nm
2 Fuel Rail (High Pressure Reservoir)
• With the fuel injection lines.
• Do not change the shape of the fuel injection lines.
3 Bolt
• 22 Nm
4 Fuel Injector (Piezo Injection Unit)
• Removing and installing, refer to => [ Fuel Injectors ] Service and Repair.
5 Bolt
• 5 Nm
6 Sealing Cap
7 Bushing
• For the fuel rail mounting.
• Replace if damaged.
8 Nut
• 10 Nm
9 Tensioning Plate
• Note the installed position, refer to => [ Tensioning Plate Installed Position ] Fuel System Component Overview.
10 Wire Guide
11 Cylinder Head Cover
• Removing and installing, refer to => [ Cylinder Head Cover ] Cylinder Head Cover.
12 Gasket
• Replace if damaged or leaking.
13 Bolt
• 10 Nm
• Follow the tightening sequence, refer to => [ Cylinder Head Cover ] Cylinder Head Cover.
14 Cap
15 Heat Shield