2.0L CRZA
Engine Management System
2.0L CRZA
Engine Block Overview

1 - Knock sensor 1 -G61-
3 - Knock sensor 2 -G66-
14 - Engine speed sensor -G28-
Cylinder Head Overview

11 - Camshaft adjustment valve 1 -N205-
25 - Camshaft position sensor -G40-
Engine coolant temperature sensor -G62-

10 - Engine coolant temperature sensor -G62-
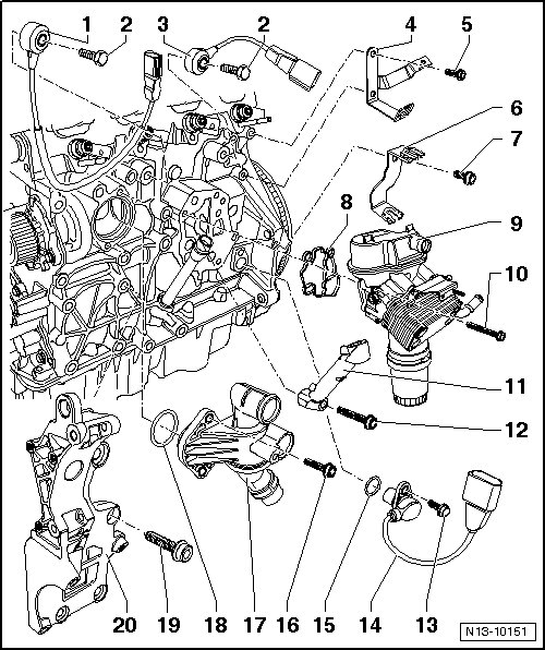
Intake Manifold Overview

8 - Intake flap motor -V157- with Intake manifold runner position sensor -G336-
12 - EVAP canister purge regulator valve 1 -N80-
19 - Throttle valve control module -J338-
• Contains: EPC throttle drive -G186- , EPC throttle drive angle sensor 1 -G187- and EPC throttle drive angle sensor 2 -G188-
23 - Intake air temperature sensor -G42-
Fuel Rail and Injectors Overview

1 - Fuel Injectors
• Cylinder 1 fuel injector -N30-
• Cylinder 2 fuel injector -N31-
• Cylinder 3 fuel injector -N32-
• Cylinder 4 fuel injector -N33-
19 - Fuel pressure sensor -G247-
Mass airflow sensor -G70-

2 - Mass airflow sensor -G70- connector
• Located in Engine Cover
Charge Air Cooler - Turbocharger Overview

18 - Charge air pressure sensor -G31-
25 - Turbocharger recirculation valve -N249-

19 - Wastegate bypass regulator valve -N75-
Oil Filter Adapter Overview

2 - Oil pressure switch -F1-
Oil Pan

1 - Oil level thermal sensor -G266- connector
High Pressure Pump Overview

3 - Fuel pressure regulator valve -N276-
13 - Low fuel pressure sensor -G410-
Leak detection pump -V144-

2 - Leak detection pump -V144- connector
• Located behind the right rear wheel housing liner.