Operation CHARM: Car repair manuals for everyone.

Parking Brake Lever: Service and Repair






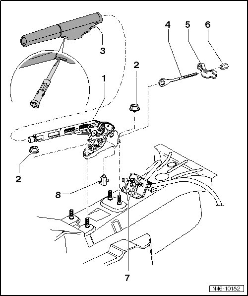
Parking Brake Lever Overview






1 Parking Brake Lever

Remove the center console before removing.

2 Nut

15 Nm

3 Trim, for the Parking Brake Lever

Pry out the release tab in the rear bottom area of the handle - magnified area - with a screwdriver, then remove the trim forward.

On a leather version, the leather in the catch area is cut.

4 Pull Rod

Riveted to the parking brake lever.

5 Equalizer

6 Adjusting Nut

Adjusting the parking brake, refer to => [ Parking Brake, Adjusting ] Adjustments.

7 Parking Brake Cables

Removing and installing, refer to => [ Parking Brake Cable ] Service and Repair.

8 Park Brake Switch