Operation CHARM: Car repair manuals for everyone.

Cooling System Components Overview







Engine Management System

Cooling System Components Overview


2.0L CCTA / CBFA and 2.5L CBTA / CBUA => [ 2.0L CCTA / CBFA and 2.5L CBTA / CBUA ]

2.0L CRZA => [ 2.0L CRZA ]

2.0L CJAA TDI => [ 2.0L CJAA TDI ]

After-Run Coolant Pump => [ After-Run Coolant Pump ]



2.0L CCTA / CBFA and 2.5L CBTA / CBUA







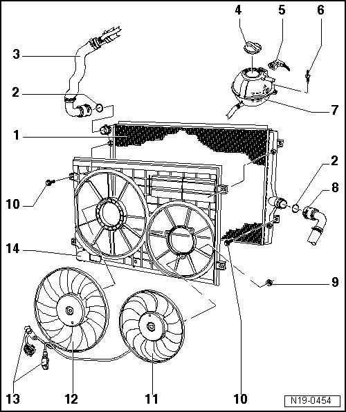
1 - Radiator fan -V7-
With Coolant Fan Control (FC) Control Module -J293-

6 - Engine Coolant Temperature (ECT) Sensor (on Radiator) -G83-
Located in the Expansion tank

14 - Radiator fan 2 -V177-



Radiator Identification Sensor






B - Radiator Identification Sensor -G611-


2.0L CRZA







2 - Engine coolant level sensor -G32- connector

10 - Coolant fan 2 -V177-

11 - Coolant fan -V7- with Coolant fan control module -J293-



2.0L CJAA TDI







5 - Engine Coolant Level (ECL) Sensor -G32- connector

12 - Right Coolant Fan -V35-



After-Run Coolant Pump







6 - After-Run Coolant Pump -V51-