Fuel Pumps and Sensors
Engine Management System
Fuel Pumps and Sensors
• 2.0L CCTA and CBFA => [ 2.0L CCTA and CBFA ]
• 2.0LCRZA => [ 2.0LCRZA ]
• 2.0L CJAA TDI => [ 2.0L CJAA TDI ]
• 2.5L CBTA / CBUA => [ 2.5L CBTA / CBUA ]
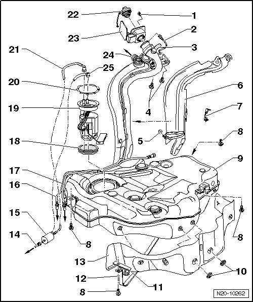
2.0L CCTA and CBFA

14 - Fuel Level Sensor 2 -G169-
• Not installed on all platforms
22 - Fuel Pump Control Module -J538- with Fuel level sensor -G- and Transfer fuel pump -G6-
• The Fuel Pump Control Module -J538- is located on the cover to the Fuel level sensor -G- and Transfer fuel pump -G6- .
2.0LCRZA

4 - Fuel Pump Control Module -J538- with Fuel level sensor -G- and Transfer fuel pump -G6-
• The Fuel Pump Control Module -J538- is located on the cover to the Fuel level sensor -G- and Transfer fuel pump -G6- .
12 - Fuel Level Sensor 2 -G169-
2.0L CJAA TDI

12 - Fuel Delivery Unit with Fuel level sensor -G- and Transfer fuel pump -G6-
2.5L CBTA / CBUA

19 - Fuel Pump Control Module -J538- with Fuel level sensor -G- and Transfer fuel pump -G6-
• The Fuel Pump Control Module -J538- is located on the cover to the Fuel level sensor -G- and Transfer fuel pump -G6- .