Operation CHARM: Car repair manuals for everyone.

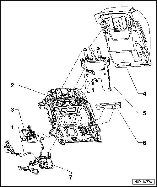
Passive Occupant Detection System Assembly Overview







Passive Occupant Detection System Assembly Overview






1 Front seat wiring harness

No long necessary to removed due to technical update.

2 Seat frame

3 Seat Occupied Recognition Control Module (J706)

4 Seat cushion

Must not be separated from mat for seat occupied recognition

5 Passive Occupant Detection System Mat

Must not be removed from pressure hose and upholstery of front seat cushion

6 Insertion profile

Note location

7 Bracket

White

No long necessary to removed due to technical update.