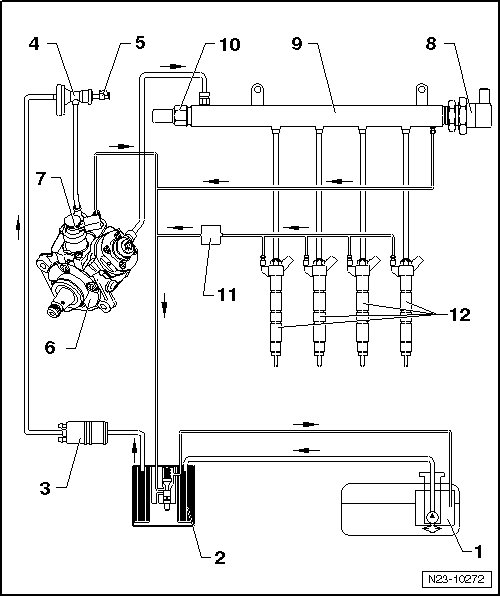
Fuel System Schematic Overview
Fuel System Schematic Overview
• Follow the guidelines when working on the fuel system. Refer to => [ Safety Precautions ] Safety Precautions.
• Follow the guidelines for clean working conditions. Refer to => [ Clean Working Conditions ] Clean Working Conditions.
• Always follow these rules before and during work.
• If the fuel system components between the fuel tank and high pressure fuel pump were removed or replaced, the fuel system must be filled in order to bleed it. Refer to => [ Fuel System, Filling/Bleeding ] Fuel System, Filling/Bleeding. (Never let the high pressure pump run dry).

1 Fuel Tank
• With the transfer fuel pump.
2 Fuel Filter
• With a pre-warm valve.
3 Auxiliary Fuel Pump (V393) or Fuel Pump 2 (V277)
Removing and installing.
4 Filter
5 Fuel Temperature Sensor (G81)
6 High Pressure Pump
• After replacing, the fuel tank must be filled (never run dry). Refer to => [ Fuel System, Filling/Bleeding ] Fuel System, Filling/Bleeding.
• Removing and installing, refer to => [ High Pressure Pump ] High Pressure Pump.
7 Fuel Metering Valve (N290)
• Must not be removed.
8 Fuel Pressure Regulator Valve (N276)
• Removing and installing, refer to => [ Fuel Pressure Regulator Valve N276 ] Service and Repair.
9 Fuel Rail (High Pressure Reservoir)
10 Fuel Pressure Sensor (G247)
• Removing and installing, refer to => [ Fuel Pressure Sensor G247 ] Service and Repair.
11 Pressure Retention Valve
• The retention valve always maintains a residual pressure (control quantity) of approximately 10 bar in the fuel return lines.
• The injectors need this control quantity to function correctly.
• The retention valve can be replaced only with the complete fuel return line.
• The engine must run at idle for approximately two minutes after replacing to bleed the fuel system.
• Checking the pressure retention valve. Refer to => [ Fuel Return Line Pressure Retention Valve, Checking ] Testing and Inspection.
12 Fuel Injectors (Piezo Injectors)
• Cylinder 1 fuel injector (N30).
• Cylinder 2 fuel injector (N31).
• Cylinder 3 fuel injector (N32).
• Cylinder 4 fuel injector (N33).
• Removing and installing, refer to => [ Fuel Injectors ] Service and Repair.