Operation CHARM: Car repair manuals for everyone.

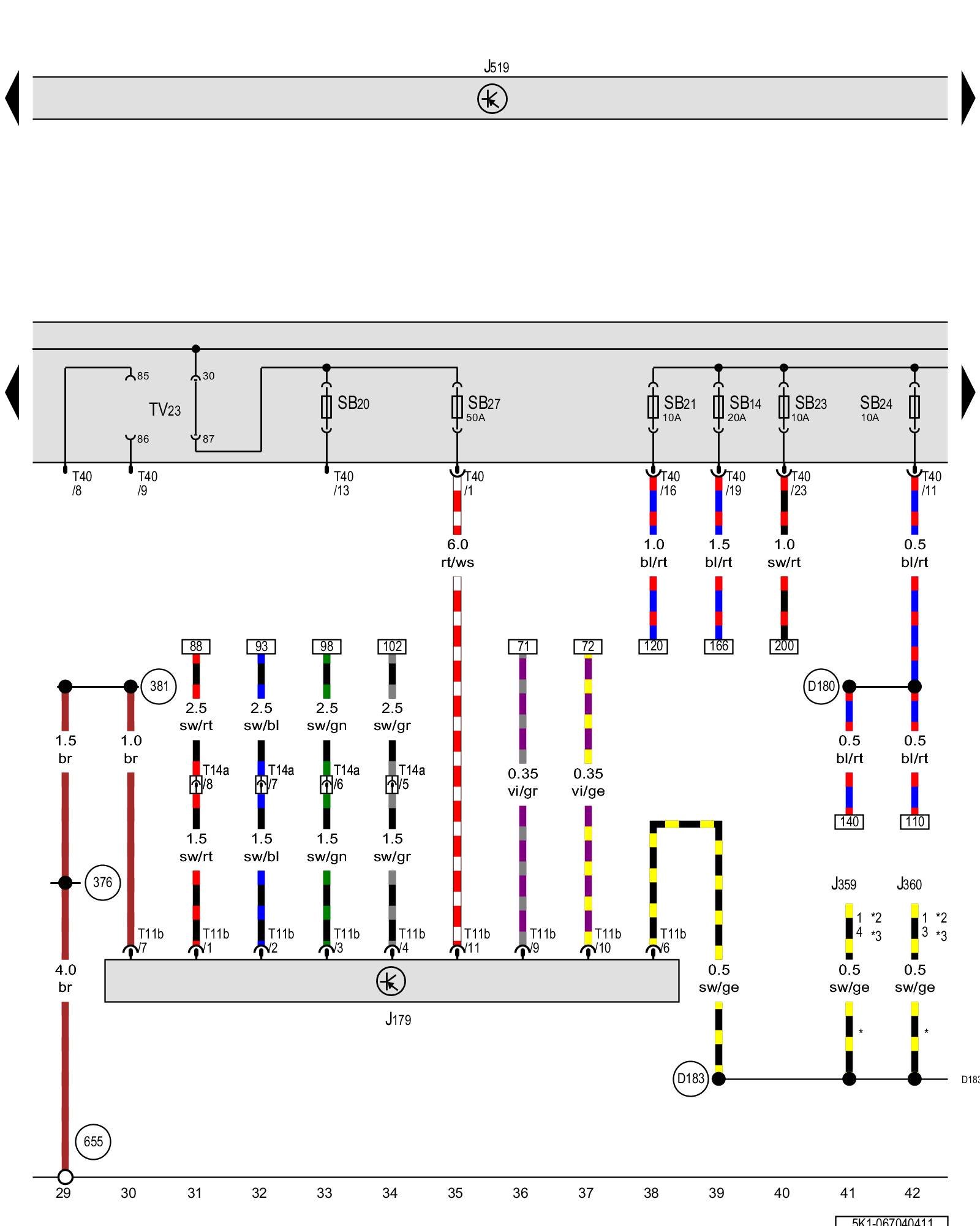
Diagram 67/4 (Tracks 29-42)






IMPORTANT NOTE:
This manufacturer uses "Track" style wiring diagrams.
For information on how to use these diagrams effectively, please refer to Diagram Information and Instructions. Diagram Information and Instructions


Automatic glow time control module, Connection bridge





ws = white
sw = black
ro = red
br = brown
gn = green
bl = blue
gr = grey
li = lilac
ge = yellow
or = orange
rs = pink

J179 - Automatic glow time control module, under the E-box, left Overview Of Relay Carrier [1][2]Diagrams

J359 - Low heat output relay Overview Of Relay Carrier

J360 - High heat output relay Overview Of Relay Carrier

J519 - Vehicle electrical system control module Control modules in front part of vehicle - Overview of Control Modules

SB14 - Fuse 14 (on fuse panel B) Fuse overview (SA), (SB), (SC)

SB20 - Fuse 20 (on fuse panel B) Fuse overview (SA), (SB), (SC)

SB21 - Fuse 21 (on fuse panel B) Fuse overview (SA), (SB), (SC)

SB23 - Fuse 23 (on fuse panel B) Fuse overview (SA), (SB), (SC)

SB24 - Fuse 24 (on fuse panel B) Fuse overview (SA), (SB), (SC)

SB27 - Fuse 27 (on fuse panel B) Fuse overview (SA), (SB), (SC)

T11b - 11-pin connector

T14a - 14-pin connector, near the battery Overview of connector stations and connectors

TV23 - Connection bridge

T40 - 40-pin connector

(376) - Ground connection 11 (in main wiring harness)

(381) - Ground connection 16 (in main wiring harness)

(655) - Ground connection on left headlamp

(D180) - Connection (87a) (in engine compartment wiring harness)

(D183) - Connection 4 (87a) (in engine compartment wiring harness)

* - Only for vehicles with auxiliary heater

*2 - From November 2009

*3 - Through October 2009

Previous Diagram 67/3 (Tracks 15-28)

Next Diagram 67/5 (Tracks 43-56)