Operation CHARM: Car repair manuals for everyone.

Procedure 1







Center Console, Basis, Golf from MY 09

Removing

- Switch off ignition.

Vehicles with automatic transmission

- Loosen the selector lever boot off the cover.

Vehicles with manual and DSG transmission

- Loosen the selector lever boot off the cover.

All vehicles

- Remove parking brake lever trim.

- Remove the trim in the center of the instrument panel (Golf from MY 09). Refer to => [ Trim, Instrument Panel, Center, Golf from MY 09 ] Trim, Instrument Panel, Center, Golf From MY 09

- Remove the trim around the A/C and heater controls (Golf from MY 09). Refer to => [ Trim, A/C and Heater Controls, Golf from MY 09 ] Trim, A/C and Heater Controls, Golf From MY 09

- Remove the center cover (Golf from MY 09).

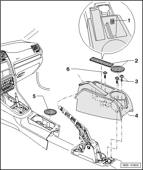
- Remove the two lining mats - 2 - from extension - 4 -.

- Remove lining mat - 5 - from center console.

- Remove the "AUX IN socket" - 1 -, if equipped.

- Remove the three bolts - 3 - (1.5 Nm).

- Loosen extension from mounts.

- Pull parking brake lever extension forward through opening.






- If the vehicle has a manual transmission, remove the noise insulation and shift mechanism - 3 - in the center console.

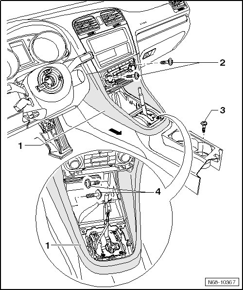
- Remove the two bolts - 2 - (1.5 Nm).

- Remove the ashtray - 1 - from center console and (depending on vehicle equipment) disconnect the wiring harnesses.

The vehicle may have a storage compartment in place of an ashtray - 1 -. Removing the storage compartment is identical to removing the ashtray.






- Remove bolt - 1 - (1.5 Nm).

- Pull left footwell trim - 2 - out of mounts.

Removal of right footwell trim is identical.

Be sure to install the footwell trim panel - 2 - into the retainer - 3 - first.






- Remove the two bolts - 4 - (1.5 Nm).

- Remove bolt - 3 - (1.5 Nm).

- Remove the two bolts - 2 - (1.5 Nm).

- Remove the cover on the center console - 1 - - in direction of arrow -.

Install the bolts in the following sequence: - 2 -, - 3 - and - 4 -.






- Remove center console - 1 - from vehicle.

Make sure the center console locks securely into the mounts - arrows - in the instrument panel.






Installation

- To install, perform the steps used for removal in reverse order.