Automatic Transmission/Transaxle: Locations
Transmission Systems
Automatic Transmission 09G

1 - Transmission Control Module (TCM) -J217-
• Location View : => [ Transmission Control Module (TCM) ] See Image Below.
2 - Engine Control Module (ECM)
3 - Multifunction Switch -F125-
• Location View : => [ Multifunction Switch ] See Image Below.
4 - Valve Body
• Location View : => [ Valve Body ] See Image Below.
5 - Sensor Wiring Harness => [ Transmission Fluid Temperature Sensor ] See Image Below.
6 - Transmission Fluid Temperature Sensor -G93-
• Location View : => [ Transmission Fluid Temperature Sensor ] See Image Below.
7 - Solenoid Valve Wiring Harness
• Location View : => [ Solenoid Valve Wiring Harness ] See Image Below.
8 - Automatic Transmission Hydraulic Pressure Sensor 1 -G193-
• Location View : => [ Automatic Transmission Hydraulic Pressure Sensors ] See Image Below.
9 - Automatic Transmission Hydraulic Pressure Sensor 2 -G194-
• Location View : => [ Automatic Transmission Hydraulic Pressure Sensors ] See Image Below.
10 - Transmission Input Speed (RPM) Sensor -G182-
• Location View : => [ Transmission Input Speed (RPM) Sensor and Transmission Output Speed (RPM) Sensor ] See Image Below.
11 - Transmission Output Speed (RPM) Sensor -G195-
• Location View : => [ Transmission Input Speed (RPM) Sensor and Transmission Output Speed (RPM) Sensor ] See Image Below.
12 - Shift Lock Solenoid -N110-
• Location View : => [ Selector Mechanism Overview ] See Image Below.
13 - Tiptronic Switch -F189-
• Location View : => [ Tiptronic Switch ] See Image Below.
14 - Power Supply Relay (terminal 50) -J682-
• Located in E-box in engine compartment
15 - Data Link Connector (DLC)
• Located on left side under driver-side storage compartment.
16 - Transmission Range (TR) Display -Y6-
• Located the in instrument cluster
Transmission Control Module (TCM)

Arrow - Transmission Control Module (TCM) -J217-
Located in left front wheel housing
Multifunction Switch

- - Multi-Function Transmission Range (TR) Switch -F125-
Located on upper side of transmission.
Valve Body

1 - Solenoid Valve 4 -N91-
2 - Solenoid Valve 6 -N93-
3 - Solenoid Valve 5 -N92-
4 - Solenoid Valve 9 -N282-
5 - Solenoid Valve 10 -N283-
6 - Solenoid Valve 3 -N90-
7 - Solenoid Valve 1 -N88-
8 - Solenoid Valve 2 -N89-
A - Transmission Output Speed (RPM) Sensor -G195-
B - Transmission Input Speed (RPM) Sensor -G182-
Transmission Fluid Temperature
Sensor

Arrow - Transmission Fluid Temperature Sensor -G93- integrated with wiring harness
Location: Wiring harness is secured to valve body in transmission
Solenoid Valve Wiring Harness

- - Solenoid Valve Wiring Harness
Location: Wiring harness is secured to valve body in transmission
Automatic Transmission Hydraulic
Pressure Sensors

These sensors are not installed in all transmissions and are installed
in the valve body
1 - Automatic Transmission Hydraulic Pressure Sensor 1 -G193-
2 - Automatic Transmission Hydraulic Pressure Sensor 2 -G194-
Transmission Input Speed (RPM)
Sensor and Transmission Output Speed (RPM) Sensor

Located above valve body in transmission housing.
1 - Transmission Input Speed (RPM) Sensor -G182-
2 - Transmission Output Speed (RPM) Sensor -G195-
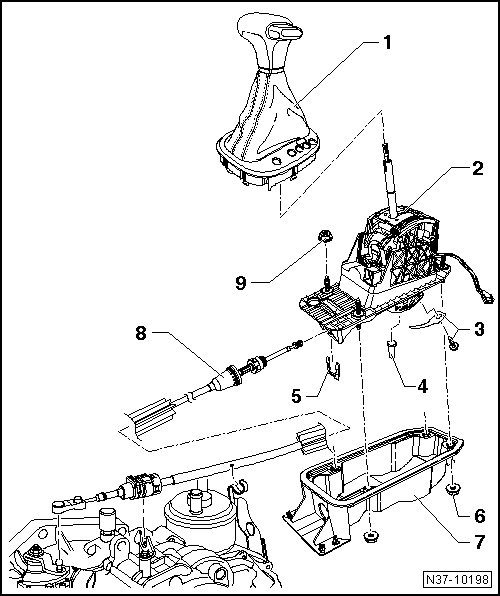
Selector Mechanism Overview

2 - Shift Lock Solenoid -N110- and Selector Lever Park Position Lock Switch -F319-
The solenoid is permanently installed in the shift selector mechanism
and cannot be replaced separately. Removal and installation is only possible
in conjunction with selector mechanism
Tiptronic Switch

- - Tiptronic Switch -F189-
Integrated in shift selector mechanism