Operation CHARM: Car repair manuals for everyone.

Transmission and Drivetrain: Locations






All-Wheel Drive System

All-Wheel Drive (4MOTION)







1 All Wheel Drive Control Module -J492- => [ All-Wheel Drive System ] See Image Below.
Oil Pressure/Temperature Sensor -G437- => [ Four-wheel drive control unit ] See Image Below.integrated in Control Module
Mounted on Rear Differential
2 Haldex clutch control valve -N373- => [ Four-wheel drive control unit ] See Image Below.
Mounted on -J492-
3 Haldex clutch pump -V181- => [ All-Wheel Drive System ] See Image Below.
Mounted on Rear Differential
4 Data Link Connector (DLC) -J533-
Location: Left front footwell.
5 Throttle Position (TP) sensor -G79-

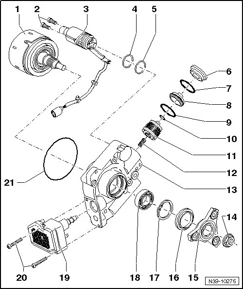
Four-wheel drive control unit






1 - All Wheel Drive Control Module -J492-
4 - Coupling opening control valve -N373-
- Integrated in the four-wheel drive control unit
- Mounted on Rear Differential
10 - Oil pressure and oil temperature sender -G437-
- Integrated in the four-wheel drive control unit
- Mounted on Rear Differential

All-Wheel Drive System






3 - Haldex coupling pump -V181-
- Located on the Haldex clutch housing
- Mounted on Rear Differential
19 - Four-wheel drive control unit -J492-
- Located on the Haldex clutch housing
- Mounted on Rear Differential