ABS Mark 60 EC (ABS/EDL/ASR/ESP)
Electrical and Electronic Components and Component Locations

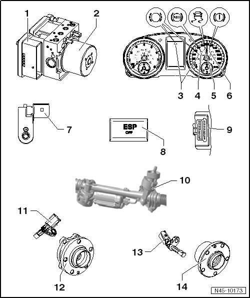
1 ABS Control Module (J104)
• With Electronic Differential Lock (EDL).
• Component location: At the hydraulic unit on the right side of the engine compartment.
• Do not disconnect the connector before successfully completing On Board Diagnostic (OBD). Turn the ignition off before disconnect the connector.
The following components are integrated inside the control module:
transverse acceleration sensor
Rotation rate sensor
Longitudinal acceleration sensor (depending on the vehicle equipment level)
• Removing and installing, refer to => [ Control Module and Hydraulic Unit, with ABS Mark 60 EC (ABS/EDL/ASR/ESP) ] Control Module and Hydraulic Unit, with ABS Mark 60 EC (ABS/EDL/ASR/ESP).
2 ABS Hydraulic Unit (N55)
• Component location: Inside the engine compartment on the right side.
The hydraulic unit consists of the components:
Anti-lock Brake System (ABS) hydraulic pump
Brake pressure sensor 1
Valve block (contains inlet and outlet valves)
• The ABS hydraulic pump and valve block must not be separated from one another.
• Removing and installing, refer to => [ Control Module and Hydraulic Unit, with ABS Mark 60 EC (ABS/EDL/ASR/ESP) ] Control Module and Hydraulic Unit, with ABS Mark 60 EC (ABS/EDL/ASR/ESP).
3 Brake Pad Wear Indicator Lamp (K32)
• Component location: Inside the instrument cluster.
• Function, refer to => [ Level Control System Indicator Lamps ] Level Control System Indicator Lamps.
4 ABS Indicator Lamp (K47)
• Component location: Inside the instrument cluster.
• Function, refer to => [ Level Control System Indicator Lamps ] Level Control System Indicator Lamps.
5 ASR/ESP Indicator Lamp (K155)
• Only on vehicles with ABS/Electronic Differential Lock (EDL)/Anti-Slip Regulation (ASR)/Electronic Stabilization Program (ESP).
• Component location: Inside the instrument cluster.
• Function, refer to => [ Level Control System Indicator Lamps ] Level Control System Indicator Lamps.
6 Brake System Indicator Lamp (K118)
• Component location: Inside the instrument cluster.
• Function, refer to => [ Level Control System Indicator Lamps ] Level Control System Indicator Lamps.
7 Brake Lamp Switch (F)
• Includes the brake pedal switch.
• Component location: On the master cylinder.
• Removing and installing, refer to => [ Brake Lamp Switch F ] Service and Repair.
8 ASR/ESP Button (E256)
• Only on vehicles with ABS/EDL/ASR/ESP.
• Component location: Inside the center console.
9 Diagnostic Connection
• Component location: In the drivers side foot well.
10 Steering Angle Sensor (G85)
• The steering angle sensor is installed inside the steering gear on vehicles with generation 3 electromechanical power steering.
• Component location: inside the steering gear.
• Removing and installing, refer to => [ Steering Angle Sensor G85 ] Service and Repair.
11 Right Front ABS Wheel Speed Sensor (G45) / Left Front ABS Wheel Speed Sensor (G47)
• Removing and installing, refer to => [ Front Wheel Speed Sensor Overview ] Front Wheel Speed Sensor Overview.
12 Wheel Hub with Bearing, Front
• The ABS sensor ring is installed on the wheel bearing.
13 Right Rear ABS Wheel Speed Sensor (G44) / Left Rear ABS Wheel Speed Sensor (G46)
• Removing and installing, refer to => [ Rear Wheel Speed Sensor Overview ] Rear Wheel Speed Sensor Overview.
14 Wheel Hub with Bearing, Rear
• The ABS sensor ring is installed on the wheel bearing.