Operation CHARM
: Car repair manuals for everyone.
Home
>>
Volkswagen
>>
2012
>>
GTI (5K1) L4-2.0L Turbo (CBFA)
>>
Repair and Diagnosis
>>
Brakes and Traction Control
>>
Power Brake Assist
>>
Locations
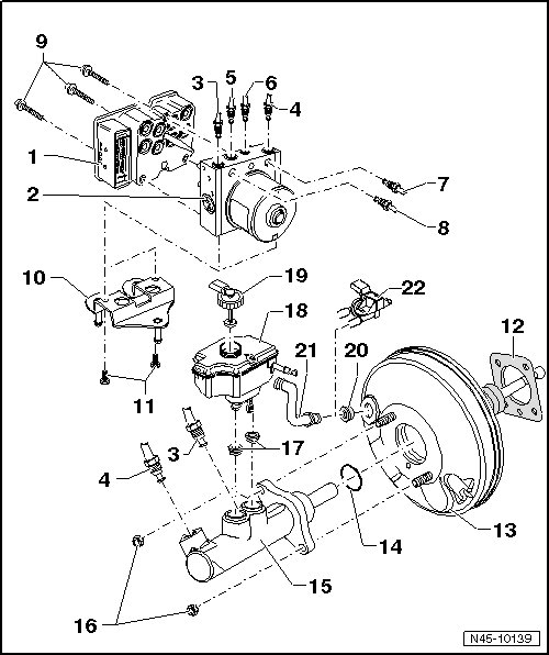
Power Brake Assist: Locations
Anti-lock Brake System
Brake Servo Vacuum Sender
1 - ABS Control Module -J104-
2 - ABS Hydraulic Unit -N55-
19 - Brake fluid level warning contact -F34-
22 - Vacuum Sensor -G608-