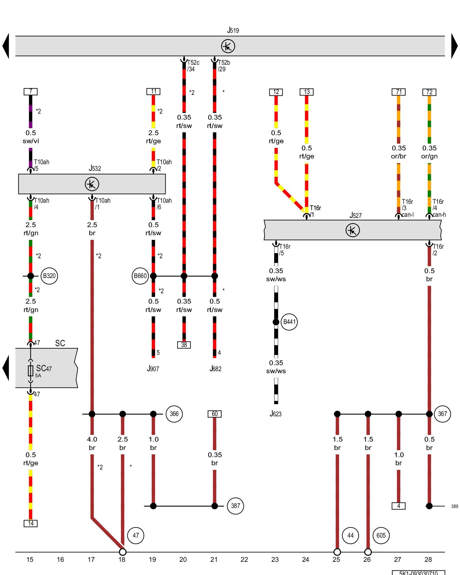
Diagram 93/3 (Tracks 15-28)
IMPORTANT NOTE:
This manufacturer uses "Track" style wiring diagrams.
For information on how to use these diagrams effectively, please refer to Diagram Information and Instructions. Diagram Information and Instructions
Steering column electronics control module, Voltage stabilizer, Fuse panel C

ws = white
sw = black
ro = red
br = brown
gn = green
bl = blue
gr = grey
li = lilac
ge = yellow
or = orange
rs = pink
J519 - Vehicle electrical system control module Control modules in front part of vehicle - Overview of Control Modules
J527 - Steering column electronics control module Control modules in front part of vehicle - Overview of Control Modules
J532 - Voltage stabilizer
J623 - Engine control module Control modules in front part of vehicle - Overview of Control Modules
J682 - Terminal 50 power supply relay Overview Of Relay Carrier
J907 - Starter relay 2 Overview Of Relay Carrier
SC - Fuse panel C Fuse overview (SA), (SB), (SC)
SC47 - Fuse 47 (on fuse panel C) Fuse overview (SA), (SB), (SC)
T10ah - 10-pin connector
T16r - 16-pin connector
T52b - 52-pin connector
T52c - 52-pin connector
(44) - Ground connection on A-pillar, lower left
(47) - Ground connection in right front footwell
(366) - Ground connection 1 (in main wiring harness)
(367) - Ground connection 2 (in main wiring harness)
(387) - Ground connection 22 (in main wiring harness)
(389) - Ground connection 24 (in main wiring harness)
(605) - Ground connection on upper steering column
(B320) - Positive connection 6 (30a) (in main wiring harness)
(B441) - Cruise control connection (in main wiring harness)
(B660) - Diagnostic terminal 50 connection (in main wiring harness)
* - Only for vehicles without Start/Stop system
*2 - Only for vehicles with Start/Stop system
Previous Diagram 93/2 (Tracks 1-14)
Next Diagram 93/4 (Tracks 29-42)