Climatronic (Automatic Climate Control) A/C System w/ Automatic Control Overview
Climatic / Climatronic Systems
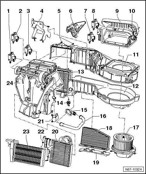
Climatronic A/C System with Automatic Control Overview

1 - Instrument panel
2 - Sunlight Photo Sensor -G107- or Sunlight Photo Sensor 2 -G134- => [ Sunlight Photo Sensor ] See Image Below.
• Located on the dash near the windshield
3 - Center vents
4 - Right side vent
5 - Air outlet
6 - Right Vent Temperature Sensor -G151- => [ Temperature Sensor ] See Image Below.
• Removal of sensors on both sides is identical, only the sides are reversed
• Located behind cover at left/right of instrument panel
7 - Climatronic Control Module -J255-
• Integrated with A/C Display Control Head -E87-
• Located in the instrument panel
8 - Fresh Air/Recirculating Air/Back Pressure Flap Motor Position Sensor -G644- and Fresh Air/Recirculating Air/Back Pressure Flap Motor -V425-
9 - Right footwell vent
10 - Fresh air blower -V2- with Fresh Air Blower Control Module -J126-
• Accessible from footwell on front passenger side
11 - Plug connector
12 - Heating unit partition
13 - Connector
14 - Dust and pollen filter
15 - Rear channel for right footwell
16 - Rear channel for left footwell
Climatronic A/C System with Automatic Control Component
Overview continued

17 - Evaporator Temperature Sensor -G308- or Evaporator Vent Temperature Sensor -G263-
• One or both of the component designations will appear, depending on software. The tasks are the same
• Located in the right footwell trim
18 - Right Temperature Flap Motor -V159-
• Integrated with Right Temperature Flap Potentiometer/Actuator -G221-
• Located in the right footwell vent
19 - Auxiliary Air Heater Heating Element -Z35-
• Only installed on vehicles with Diesel engine without auxiliary heater
20 - Heat exchanger
21 - Front Air Distribution Flap Motor -V426- with Front Air Distribution Flap Motor Position Sensor -G642-
22 - Left footwell vent
23 - Left Temperature Flap Motor -V158-
• Integrated with Left Temperature Flap Potentiometer/Actuator -G220-
• Located in the left footwell vent
24 - Left Footwell Vent Temperature Sensor -G261- => [ Left Footwell Vent Temperature Sensor ] See Image Below.
• Located in the left footwell vent
25 - Defroster Flap Motor -V107-
• Integrated with Defroster Flap Motor Position Sensor -G135-
26 - Heating and A/C unit
27 - Right Footwell Vent Temperature Sensor -G262- => [ Right Footwell Vent Temperature Sensor ] See Image Below.
• Located in the right footwell vent
28 - Left side vent
29 - Left Vent Temperature Sensor -G150- => [ Temperature Sensor ] See Image Below.
• Removal of sensors on both sides is identical, only the sides are reversed
• Located behind cover at left/right of instrument panel
Climatronic in Car Overview

1 - Central Air Flap Motor -V70- => [ Central Air Flap Motor ] See Image Below.
• Integrated with Central Flap Motor Position Sensor -G112-
• Located behind the instrument panel
2 - Left Temperature Flap Motor -V158- => [ Left Temperature Flap Motor ] See Image Below.
• Integrated with Left Temperature Flap Potentiometer/Actuator -G220-
• Located in the right footwell vent
3 - Defroster Flap Motor -V107- => [ Defroster Flap Motor ] See Image Below.
• Integrated with Defroster Flap Motor Position Sensor -G135-
4 - Bracket
5 - Screws
6 - Cover
7 - Recirculation Flap Motor -V113- => [ Recirculation Flap Motor ] See Image Below.
• Integrated with Recirculation Flap Motor Position Sensor -G143-
• Vehicles from 05.07 the Recirculation Flap Motor -V113- is discontinued.
• Located around the intake housing
8 - Air Flow Flap Motor -V71- and Fresh Air/Recirculating Air/Back Pressure Flap Motor -V425-
• Vehicles through 04.07 air flow door motor Air Flow Flap Motor -V71- => [ Air Flow Flap Motor ] See Image Below.
- Integrated with Back Pressure Flap Motor Position Sensor -G113-
• Vehicles from 05.07 Fresh Air/Recirculating Air/Back Pressure Flap Motor -V425- => [ Fresh Air/Recirculating Air/Back Pressure Flap Motor ] See Image Below.
Integrated with Fresh Air/Recirculating Air/Back Pressure Flap Motor Position Sensor -G644-
Climatronic in Car Overview continued

9 - Housing for air entry
10 - Fresh Air Intake Duct Temperature Sensor -G89-
• Only installed on vehicles through 12.05
11 - Evaporator housing: Upper part
12 - Evaporator housing: Lower part
13 - Evaporator
14 - Evaporator Temperature Sensor -G308- or Evaporator Vent Temperature Sensor -G263- => [ Evaporator Temperature Sensor or Evaporator Vent Temperature Sensor ] See Image Below.
• One or both of the component designations will appear, depending on software. The tasks are the same
• Located in the right footwell trim
15 - Connection for glove compartment cooling
16 - Cooling hose for glove compartment cooling
17 - Fresh air blower -V2- with Fresh Air Blower Control Module -J126- => [ Fresh air blower with Fresh Air Blower Control Module ] See Image Below.
• Accessible from footwell on front passenger side
18 - Dust and pollen filter
19 - Cover
20 - Heat exchanger
21 - Right Temperature Flap Motor -V159- => [ Right Temperature Flap Motor ] See Image Below.
• Integrated with Right Temperature Flap Potentiometer/Actuator -G221-
• Located in the right footwell vent
22 - Heater core trim
23 - Auxiliary Air Heater Heating Element -Z35-
Only installed on vehicles with Diesel engine without
auxiliary heater
24 - Air distribution housing
Sunlight Photo Sensor

1 - Sunlight Photo Sensor -G107- or Sunlight Photo Sensor 2 -G134-
Temperature Sensor

2 - Right Vent Temperature Sensor -G151- or Left Vent Temperature Sensor -G150-
- Removal of sensors on both sides is identical, only
the sides are reversed
Air Flow Flap Motor

2 - Air Flow Flap Motor -V71-
- Integrated with Back Pressure Flap Motor Position Sensor -G113-
Fresh Air/Recirculating Air/Back
Pressure Flap Motor

2 - Fresh Air/Recirculating Air/Back Pressure Flap Motor -V425-
- Integrated with Fresh Air/Recirculating Air/Back Pressure Flap Motor Position Sensor -G644-
Recirculation Flap Motor

- - Recirculation Flap Motor -V113-
- Integrated with Recirculation Flap Motor Position Sensor -G143-
Fresh air blower with Fresh Air
Blower Control Module

A - Fresh air blower -V2- with Fresh Air Blower Control Module -J126-
Evaporator Temperature Sensor
or Evaporator Vent Temperature Sensor

1 - Evaporator Temperature Sensor -G308- or Evaporator Vent Temperature Sensor -G263-
Right Temperature Flap Motor

1 - Right Temperature Flap Motor -V159- - integrated with Right Temperature Flap Potentiometer/Actuator -G221-
Central Air Flap Motor

1 - Central Air Flap Motor -V70- - integrated with Central Flap Motor Position Sensor -G112-
Left Temperature Flap Motor

B - Left Temperature Flap Motor -V158- - integrated with Left Temperature Flap Potentiometer/Actuator -G220-
Left Footwell Vent Temperature
Sensor

2 - Left Footwell Vent Temperature Sensor -G261-
Defroster Flap Motor

B - Defroster Flap Motor -V107- - integrated with Defroster Flap Motor Position Sensor -G135-
Right Footwell Vent Temperature
Sensor

2 - Right Footwell Vent Temperature Sensor -G262-