Front Passenger Seat Occupant Sensor G128
Front Passenger Seat Occupant Sensor G128
If Front Passenger Seat Occupied Sensor is replaced, also the upholstery, front seat cushion must always be replaced!
Removing
- Mount the fixture for seat repair (VAS 6136) on the engine and transmission holder (VAS 6095).
- Remove front seat. Refer to => [ Front Seat ] Front Seat
- Attach the seat to the fixture for seat repair (VAS 6136).
- Remove front right seat trim. Refer to => [ Right Seat Trim ] Right Seat Trim
Vehicles with manual seat adjustment
- Remove front left seat trim. Refer to => [ Left Seat Trim ] Left Seat Trim
- Remove bracket and front seat operating lever. Refer to => [ Front Seat Support and Operating Lever ] Front Seat Support and Operating Lever
Vehicles with electric seat adjustment
- Remove left power seat trim. Refer to => [ Left Power Seat Trim ] Left Power Seat Trim
- Remove retainer and power seat bracket. Refer to => [ Power Seat Bracket and Support ] Power Seat Bracket and Support
All vehicles
- Remove front seat drawer mount. Refer to => [ Seat Drawer Mount ] Seat Drawer Mount
• If the vehicle has a pass-through, it is sufficient to fold the backrest forward; it does not have to be removed.
- Remove front seat backrest. Refer to => [ Left Front Seat Backrest ] Left Front Seat Backrest
- Remove cover and cushion from front seat backrests. Refer to => [ Front Seat Pan Covers and Cushion ] Front Seat Pan Covers and Cushion
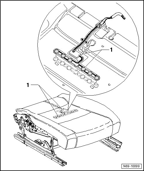
Front passenger seat occupant sensor - 1 - is glued to the seat cushion padding. It is not possible to remove and install separately, sensor must be replaced with upholstery.

Installing
- Press wiring harness in positioning aid area - 1 - in rear padding channel.
- Press the wiring harness into the recess in the padding at the areas indicated by the - arrows A and B -.
- Align sensor positioning aid - 3 - with padding positioning aid - 2 -.
Ensure distance from sensor to positioning aids - 2 - is constant - arrows - when doing this.

- Secure aligned sensor - 1 - with right hand, remove adhesive tape strips - 2 - and affix sensor to padding.
- Press wiring harness in rear area into padding opening - arrow -.
- Connect wiring harness with vehicle electrical system.

Installing of remaining components is reverse of removal.
- After installing, perform a function check with ignition on.