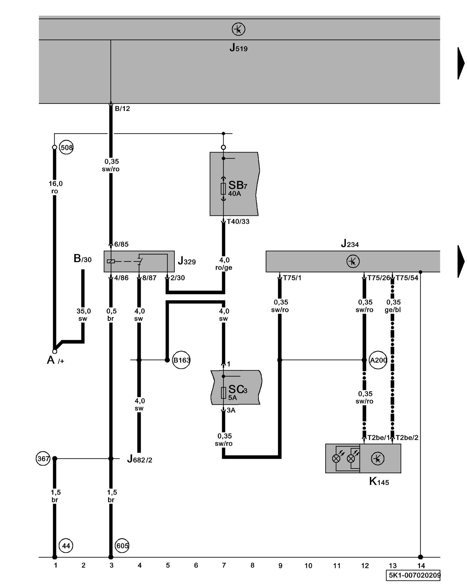
Diagram 7/2 (Tracks 1-14)
IMPORTANT NOTE:
This manufacturer uses "Track" style wiring diagrams.
For information on how to use these diagrams effectively, please refer to Diagram Information and Instructions. Diagram Information and Instructions
Airbag Control Module, Power Supply Relay (terminal 15), Front Passenger's Airbag Disabled Indicator Lamp

ws = white
sw = black
ro = red
br = brown
gn = green
bl = blue
gr = grey
li = lilac
ge = yellow
or = orange
rs = pink
A - Battery
B - Starter
J234 - Airbag Control Module, behind lower console Control modules in front part of vehicle - Overview of Control Modules
J329 - Power Supply Relay (terminal 15) (53) Overview Of Relay Carrier
J519 - Vehicle Electrical System Control Module Control modules in front part of vehicle - Overview of Control Modules
J682 - Power Supply Relay (terminal 50) Overview Of Relay Carrier
K145 - Front Passenger's Airbag Disabled Indicator Lamp
SB7 - Fuse 7 (on fuse panel B) Fuse overview (SA), (SB), (SC)
SC3 - Fuse 3 (on fuse panel C) Fuse overview (SA), (SB), (SC)
T2be - Double Connector
T40 - 40-Pin Connector
T75 - 75-Pin Connector
(44) - Ground Connection (on left lower A-pillar) Overview Of Ground Connections in Interior
(367) - Ground Connection 2 (in main wiring harness)
(508) - Threaded Connection terminal 30 (on electronics box)
(605) - Ground Connection (on upper steering column) Overview Of Ground Connections in Interior
(A200) - Plus Connection 5 (15a) (in instrument panel wiring harness)
(B163) - Plus Connection 1 (15) (in interior wiring harness)
-^^- - Only models with front passenger's airbag deactivation
Next Diagram 7/3 (Tracks 15-28)