Operation CHARM: Car repair manuals for everyone.

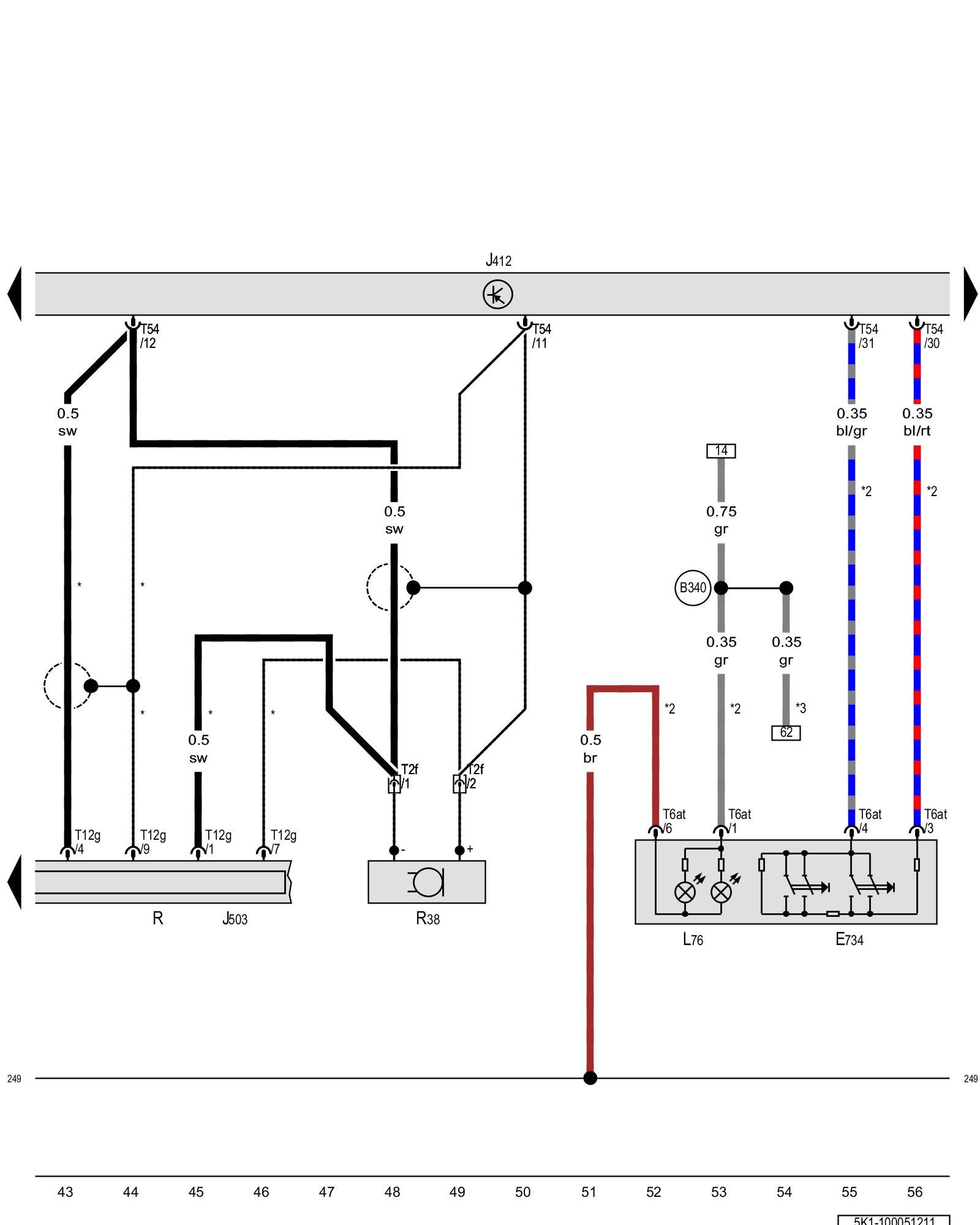
Diagram 100/5 (Tracks 43-56)






IMPORTANT NOTE:
This manufacturer uses "Track" style wiring diagrams.
For information on how to use these diagrams effectively, please refer to Diagram Information and Instructions. Diagram Information and Instructions


Telematics button module, Cell phone operating electronics control module, Radio/navigation display unit control module, Radio, Telephone microphone





ws = white
sw = black
ro = red
br = brown
gn = green
bl = blue
gr = grey
li = lilac
ge = yellow
or = orange
rs = pink

E734 - Telematics button module

J412 - Cell phone operating electronics control module, in the right front footwell Control Modules in The Rear Of The Vehicle

J503 - Radio/navigation display unit control module
Locations

L76 - Push button illumination bulb

R - Radio
Locations

R38 - Telephone microphone

T2f - Double connector, near the front interior lamp Overview of connector stations and connectors

T6at - 6-pin connector

T12g - 12-pin connector

T54 - 54-pin connector

(249) - Ground connection 2 (in interior wiring harness)

(B340) - Connection 1 (58d) (in main wiring harness)

* - Only with radio navigation system and voice recognition system

*2 - Only for vehicles with button module

*3 - Only for vehicles with telephone charging station

Previous Diagram 100/4 (Tracks 29-42)

Next Diagram 100/6 (Tracks 57-70)