Operation CHARM: Car repair manuals for everyone.

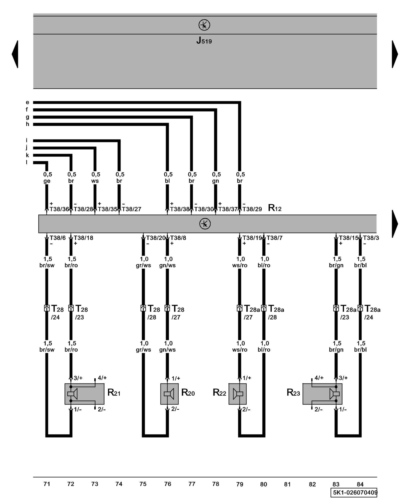
Diagram 26/7 (Tracks 71-84)






IMPORTANT NOTE:
This manufacturer uses "Track" style wiring diagrams.
For information on how to use these diagrams effectively, please refer to Diagram Information and Instructions. Diagram Information and Instructions


Amplifier, Left Front Speaker, Right Front Speaker





ws = white
sw = black
ro = red
br = brown
gn = green
bl = blue
gr = grey
li = lilac
ge = yellow
or = orange
rs = pink

J519 - Vehicle Electrical System Control Module Control modules in front part of vehicle - Overview of Control Modules

R12 - Amplifier, below driver's seat
Locations

R20 - Left Front Treble Speaker
Locations

R21 - Left Front Bass Speaker
Locations

R22 - Right Front Treble Speaker
Locations

R23 - Right Front Bass Speaker
Locations

T38 - 38-Pin Connector

T28 - 28-Pin Connector, connector station A-pillar, left Overview of connector stations and connectors

T28a - 28-Pin Connector, connector station A-pillar, right Overview of connector stations and connectors

Previous Diagram 26/6 (Tracks 57-70)

Next Diagram 26/8 (Tracks 85-98)