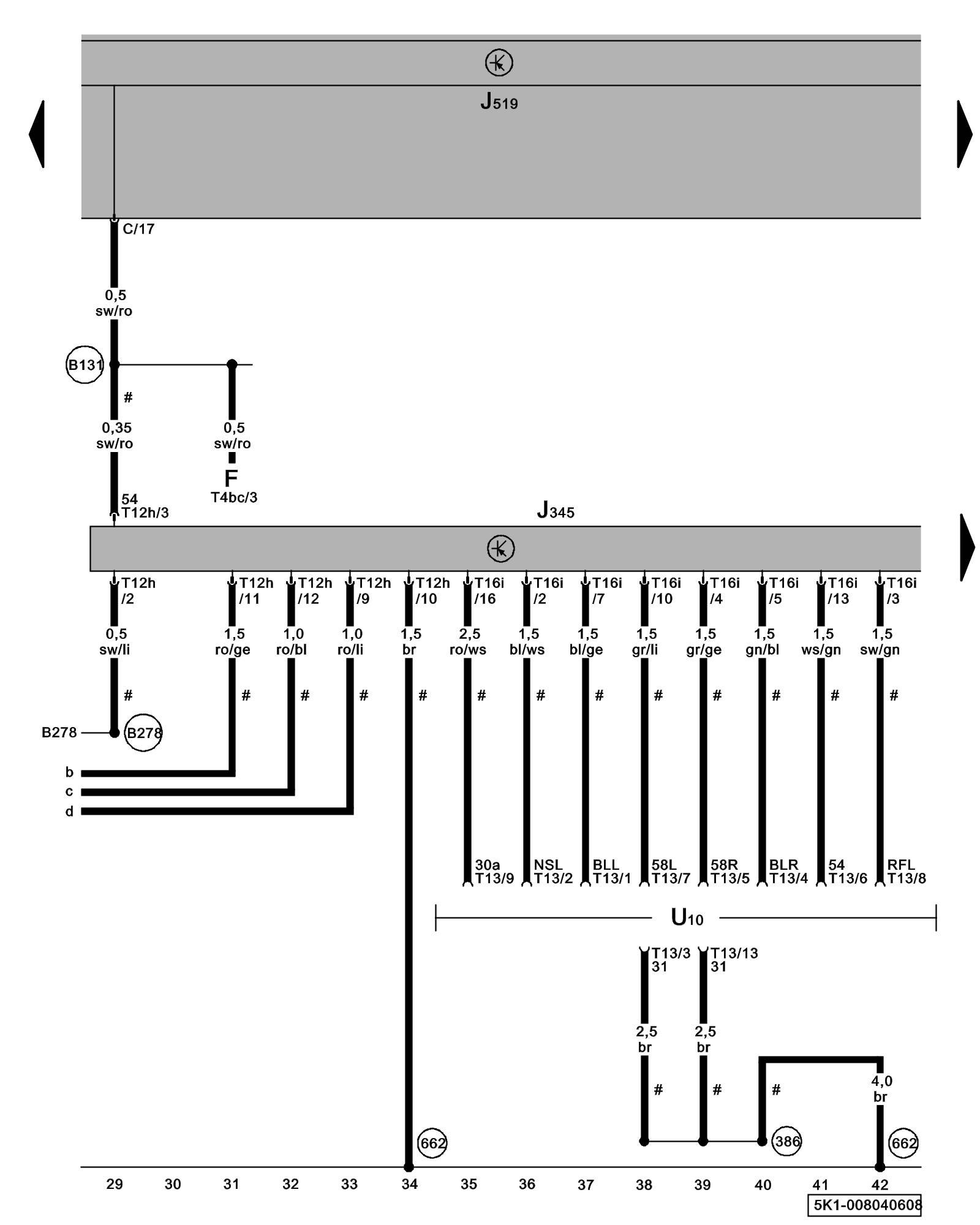
Diagram 8/4 (Tracks 29-42)
IMPORTANT NOTE:
This manufacturer uses "Track" style wiring diagrams.
For information on how to use these diagrams effectively, please refer to Diagram Information and Instructions. Diagram Information and Instructions
Towing Recognition Control Module, Trailer Socket

ws = white
sw = black
ro = red
br = brown
gn = green
bl = blue
gr = grey
li = lilac
ge = yellow
or = orange
rs = pink
F - Brake Light Switch
J345 - Towing Recognition Control Module, in left rear side panel Control Modules in The Rear Of The Vehicle
J519 - Vehicle Electrical System Control Module Control modules in front part of vehicle - Overview of Control Modules
T4bc - 4-Pin Connector
T12h - 12-Pin Connector
T13 - 13-Pin Connector
T16i - 16-Pin Connector
U10 - Trailer Socket
(386) - Ground Connection 21 (in main wiring harness)
(662) - Ground Connection (on left rear C-pillar)
(B131) - Connection (54) (in interior wiring harness)
(B278) - Plus Connection 2 (15a) (in main wiring harness)
# - Only models with factory trailer hitch
Previous Diagram 8/3 (Tracks 15-28)
Next Diagram 8/5 (Tracks 43-56)