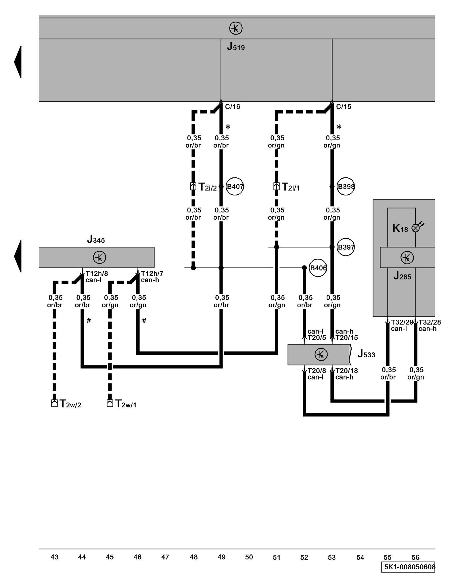
Diagram 8/5 (Tracks 43-56)
IMPORTANT NOTE:
This manufacturer uses "Track" style wiring diagrams.
For information on how to use these diagrams effectively, please refer to Diagram Information and Instructions. Diagram Information and Instructions
Towing Recognition Control Module, Trailer Operation Indicator Lamp

ws = white
sw = black
ro = red
br = brown
gn = green
bl = blue
gr = grey
li = lilac
ge = yellow
or = orange
rs = pink
J285 - Instrument Cluster Control Module
J345 - Towing Recognition Control Module, in left rear side panel Control Modules in The Rear Of The Vehicle
J519 - Vehicle Electrical System Control Module Control modules in front part of vehicle - Overview of Control Modules
J533 - Data Bus On Board Diagnostic Interface, in left footwell, near center console Control modules in front part of vehicle - Overview of Control Modules
K18 - Trailer Operation Indicator Lamp
T2i - Double Connector, black, under instrument panel, left
T2w - Double Connector, blue, under instrument panel, left
T12h - 12-Pin Connector
T20 - 20-Pin Connector
T32 - 32-Pin Connector
(B397) - Comfort System CAN-Bus High Connection 1 (in main wiring harness)
(B398) - Comfort System CAN-Bus High Connection 2 (in main wiring harness)
(B406) - Comfort System CAN-Bus Low Connection 1 (in main wiring harness)
(B407) - Comfort System CAN-Bus Low Connection 2 (in main wiring harness)
# - Only models with factory trailer hitch
--- - Only models with preparation for Trailer Operation
Previous Diagram 8/4 (Tracks 29-42)