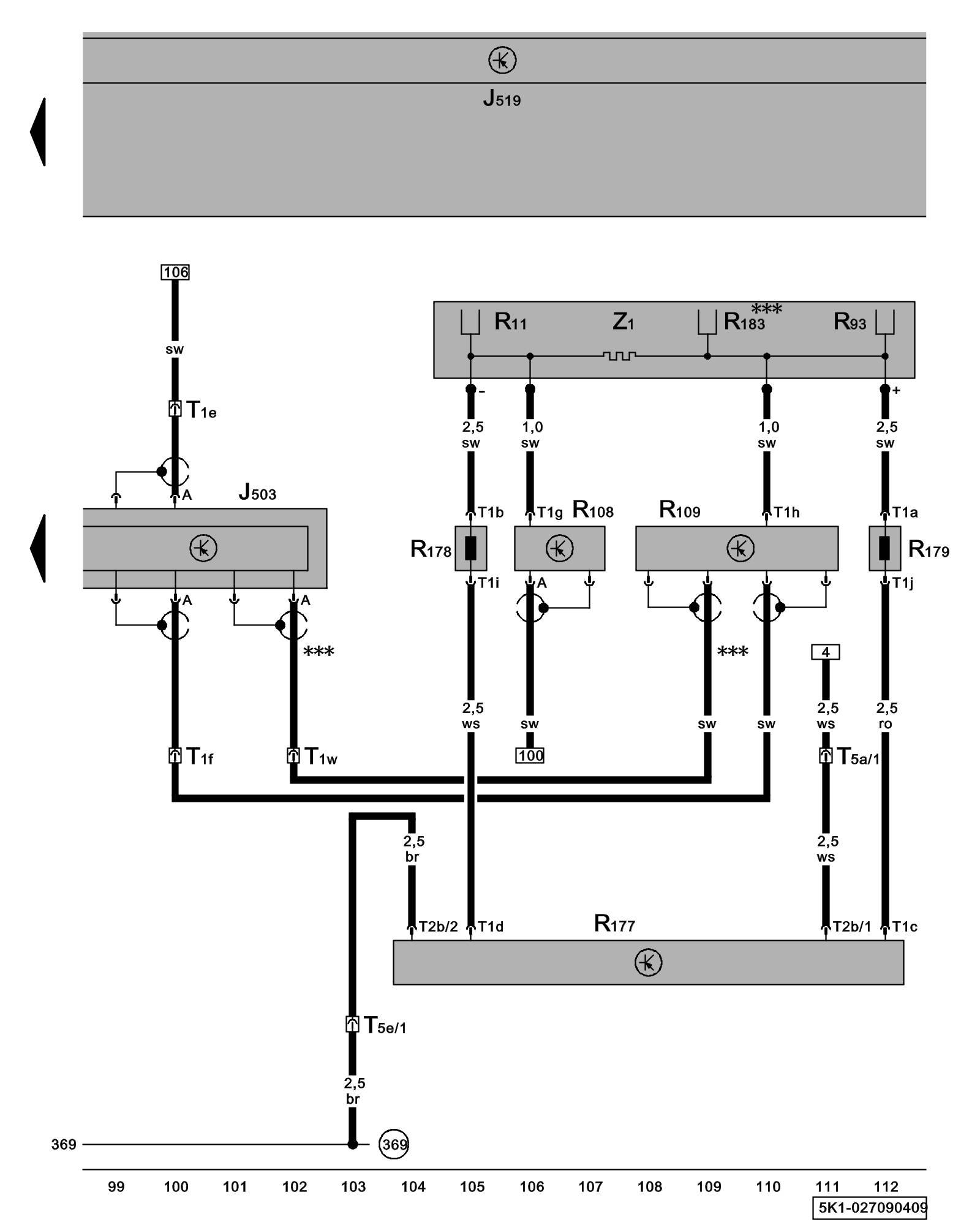
Diagram 27/9 (Tracks 99-112)
IMPORTANT NOTE:
This manufacturer uses "Track" style wiring diagrams.
For information on how to use these diagrams effectively, please refer to Diagram Information and Instructions. Diagram Information and Instructions
Radio/Navigation Display Control Module, Antennas, Heated Rear Window, Antenna Modules, AM and FM Frequency Filter

ws = white
sw = black
ro = red
br = brown
gn = green
bl = blue
gr = grey
li = lilac
ge = yellow
or = orange
rs = pink
J503 - Radio/Navigation Display Control Module
Locations
J519 - Vehicle Electrical System Control Module Control modules in front part of vehicle - Overview of Control Modules
R - Radio
Locations
R11 - Antenna
R93 - Radio Antenna 2
R108 - Left Antenna Module
Locations
R109 - Right Antenna Module
Locations
R177 - AM Frequency Filter, in rear lid
Locations
R178 - FM Frequency Filter (in negative wire)
Locations
R179 - FM Frequency Filter (in positive wire)
Locations
R183 - Digital Radio Antenna
T1a - Single Connector
T1b - Single Connector
T1c - Single Connector
T1d - Single Connector
T1e - Single Connector, behind right C-pillar trim Overview of connector stations and connectors
T1f - Single Connector, behind right C-pillar trim Overview of connector stations and connectors
T1g - Single Connector
T1h - Single Connector
T1i - Single Connector
T1j - Single Connector
T1w - Single Connector, behind right C-pillar trim
T2b - Double Connector
T5a - 5-Pin Connector, black, in left rear side panel Overview of connector stations and connectors
T5e - 5-Pin Connector, pink, in left rear side panel Overview of connector stations and connectors
Z1 - Heated Rear Window
(369) - Ground Connection 4 (in main wiring harness)
*** - Only Digital Radio Antenna
Previous Diagram 27/8 (Tracks 85-98)