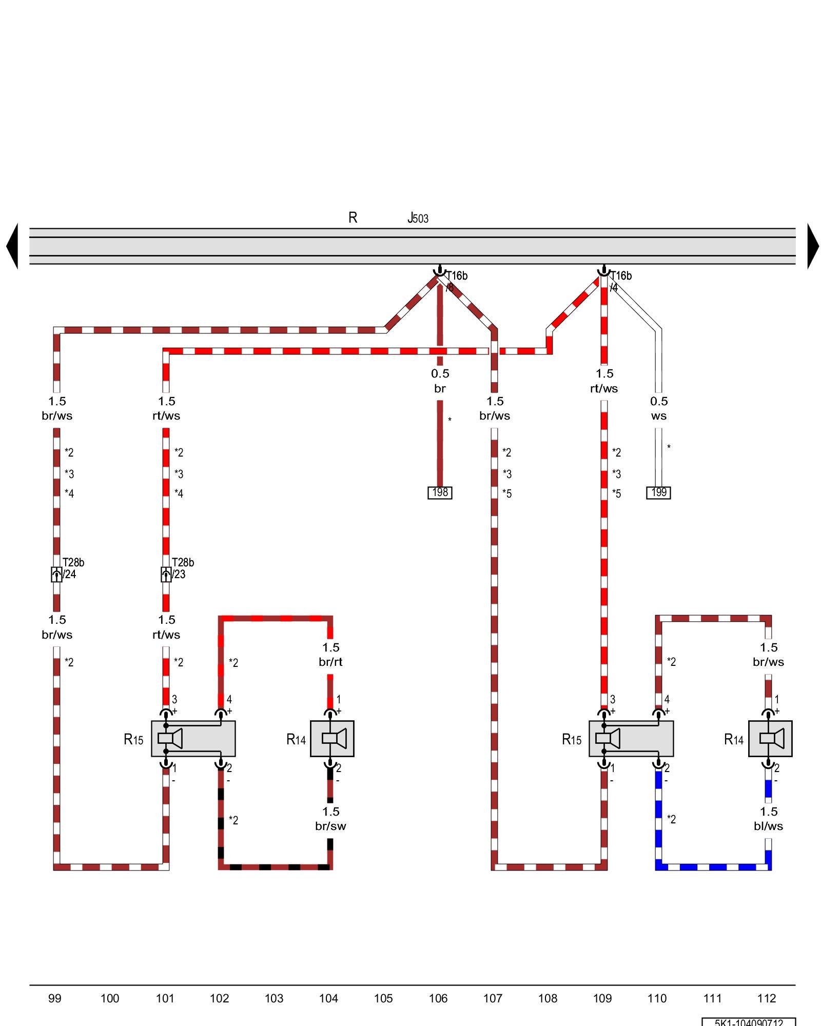
Diagram 104/9 (Tracks 99-112)
IMPORTANT NOTE:
This manufacturer uses "Track" style wiring diagrams.
For information on how to use these diagrams effectively, please refer to Diagram Information and Instructions. Diagram Information and Instructions
Radio/navigation display unit control module, Radio, Left rear treble speaker, Left rear bass speaker

ws = white
sw = black
ro = red
br = brown
gn = green
bl = blue
gr = grey
li = lilac
ge = yellow
or = orange
rs = pink
J503 - Radio/navigation display unit control module
Locations
R - Radio
Locations
R14 - Left rear treble speaker
Locations
R15 - Left rear bass speaker
Locations
T16b - 16-pin connector
T28b - 28-pin connector, behind the lower left B-pillar trim Overview of connector stations and connectors
* - Only for vehicles with an amplifier
*2 - Only for vehicles with a rear speaker
*3 - Only for vehicles with passive speakers
*4 - Only for vehicles with 4 doors
*5 - Only for vehicles with 2-door equipment
Previous Diagram 104/8 (Tracks 85-98)
Next Diagram 104/10 (Tracks 113-126)