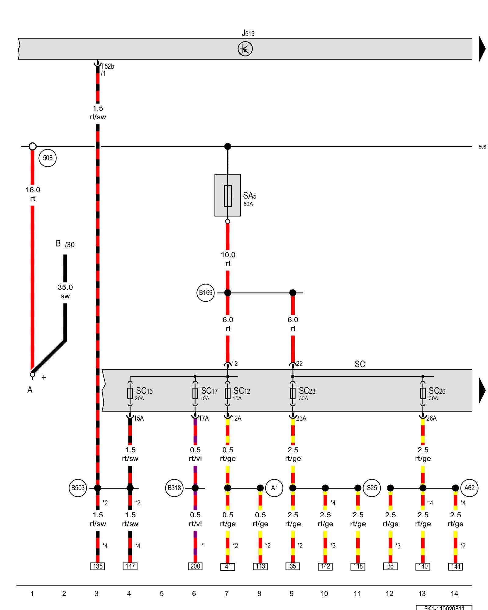
Diagram 110/2 (Tracks 1-14)
IMPORTANT NOTE:
This manufacturer uses "Track" style wiring diagrams.
For information on how to use these diagrams effectively, please refer to Diagram Information and Instructions. Diagram Information and Instructions
Fuse 5 (on fuse panel A), Fuse panel C

ws = white
sw = black
ro = red
br = brown
gn = green
bl = blue
gr = grey
li = lilac
ge = yellow
or = orange
rs = pink
A - Battery
B - Starter
J519 - Vehicle electrical system control module Control modules in front part of vehicle - Overview of Control Modules
SA5 - Fuse 5 (on fuse panel A) Fuse overview (SA), (SB), (SC)
SC - Fuse panel C Fuse overview (SA), (SB), (SC)
SC12 - Fuse 12 (on fuse panel C) Fuse overview (SA), (SB), (SC)
SC15 - Fuse 15 (on fuse panel C) Fuse overview (SA), (SB), (SC)
SC17 - Fuse 17 (on fuse panel C) Fuse overview (SA), (SB), (SC)
SC23 - Fuse 23 (on fuse panel C) Fuse overview (SA), (SB), (SC)
SC26 - Fuse 26 (on fuse panel C) Fuse overview (SA), (SB), (SC)
T52b - 52-pin connector
(508) - Terminal 30 threaded connection (on E-box)
(A1) - Positive connection (30a) (in instrument panel wiring harness)
(A62) - Power window connection (in instrument panel wiring harness)
(B169) - Positive connection 1 (30) (in interior wiring harness)
(B318) - Positive connection 4 (30a) (in main wiring harness)
(B503) - Positive connection 7 (30a) (in interior wiring harness)
(S25) - Positive connection (30a) (in central locking system wiring harness)
* - For vehicles with anti-theft alarm system
*2 - Through April 2011
*3 - From May 2011
*4 - Only for vehicles with rear power windows
Next Diagram 110/3 (Tracks 15-28)