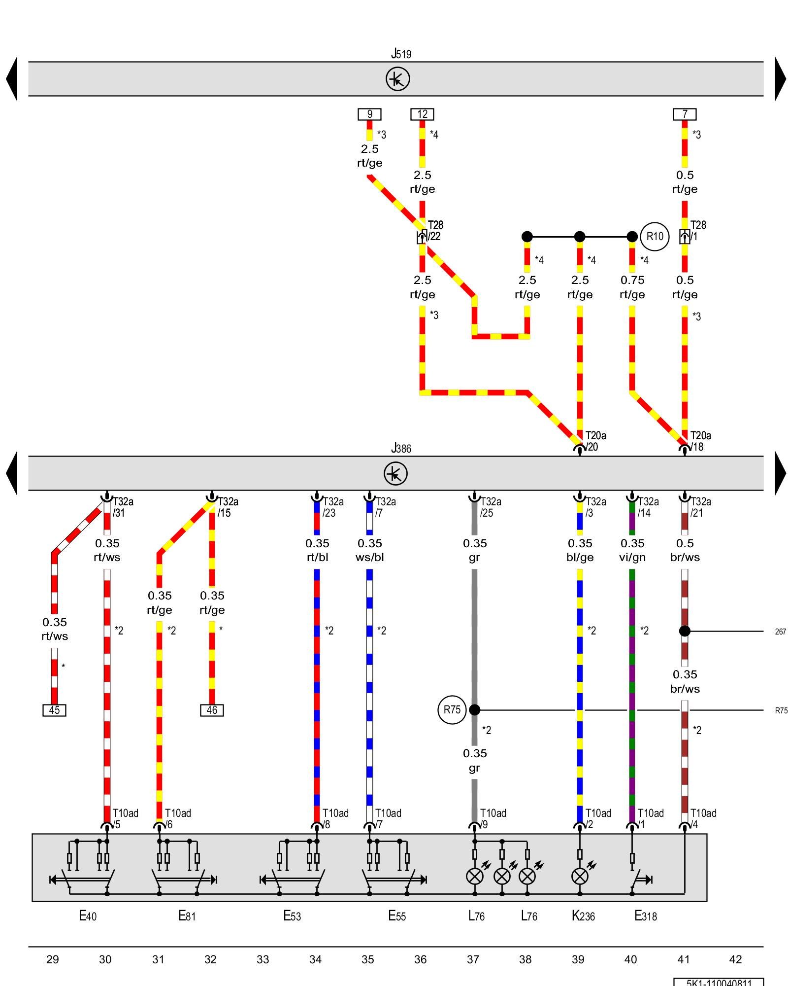
Diagram 110/4 (Tracks 29-42)
IMPORTANT NOTE:
This manufacturer uses "Track" style wiring diagrams.
For information on how to use these diagrams effectively, please refer to Diagram Information and Instructions. Diagram Information and Instructions
Left front window regulator switch, Left rear window regulator switch in driver door, Right rear window regulator switch in driver door, Right front power window switch in driver door, Child safety lock button, Driver door control module

ws = white
sw = black
ro = red
br = brown
gn = green
bl = blue
gr = grey
li = lilac
ge = yellow
or = orange
rs = pink
E40 - Left front window regulator switch Driver Side Master Window Switch -E40- , -E81- , -E53- , -E55- , and -E318-
E53 - Left rear window regulator switch in driver door Driver Side Master Window Switch -E40- , -E81- , -E53- , -E55- , and -E318-
E55 - Right rear window regulator switch in driver door Driver Side Master Window Switch -E40- , -E81- , -E53- , -E55- , and -E318-
E81 - Right front power window switch in driver door Driver Side Master Window Switch -E40- , -E81- , -E53- , -E55- , and -E318-
E318 - Child safety lock button Driver Side Master Window Switch -E40- , -E81- , -E53- , -E55- , and -E318-
J386 - Driver door control module Locations Driver Door Control Module -J386-
J519 - Vehicle electrical system control module Control modules in front part of vehicle - Overview of Control Modules
K236 - Child safety lock -activated- indicator lamp
L76 - Push button illumination bulb
T10ad - 10-pin connector
T20a - 20-pin connector
T28 - 28-pin connector, in the left A-pillar connector station Overview of connector stations and connectors
T32a - 32-pin connector
(267) - Ground connection 2 (in driver door wiring harness)
(R10) - Positive connection 1 (30) (in driver door wiring harness)
(R75) - Connection 1 (58d) (in door control module wiring harness)
* - Only for vehicles with front power windows
*2 - Only for vehicles with rear power windows
*3 - Through April 2011
*4 - From May 2011
Previous Diagram 110/3 (Tracks 15-28)
Next Diagram 110/5 (Tracks 43-56)