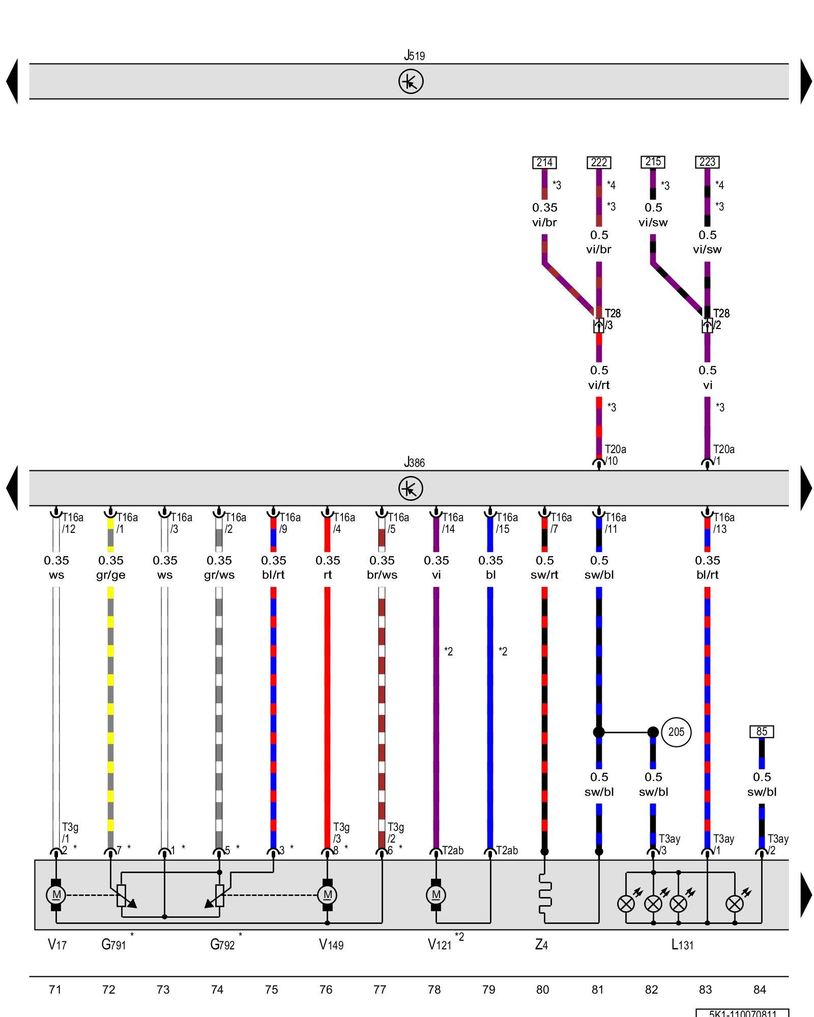
Diagram 110/7 (Tracks 71-84)
IMPORTANT NOTE:
This manufacturer uses "Track" style wiring diagrams.
For information on how to use these diagrams effectively, please refer to Diagram Information and Instructions. Diagram Information and Instructions
Exterior rearview mirror horizontal adjustment position sensor, Exterior rearview mirror vertical adjustment position sensor, Driver door control module, Driver exterior rearview mirror turn signal bulb, Driver mirror adjustment motor, Driver exterior rearview mirror folding motor, Heated driver exterior rearview mirror

ws = white
sw = black
ro = red
br = brown
gn = green
bl = blue
gr = grey
li = lilac
ge = yellow
or = orange
rs = pink
G791 - Exterior rearview mirror horizontal adjustment position sensor
G792 - Exterior rearview mirror vertical adjustment position sensor
J386 - Driver door control module Locations Driver Door Control Module -J386-
J519 - Vehicle electrical system control module Control modules in front part of vehicle - Overview of Control Modules
L131 - Driver exterior rearview mirror turn signal bulb
T2ab - Double connector
T3ay - 3-pin connector
T3g - 3-pin connector
T16a - 16-pin connector
T20a - 20-pin connector
T28 - 28-pin connector, in the left A-pillar connector station Overview of connector stations and connectors
V17 - Driver mirror adjustment motor
V121 - Driver exterior rearview mirror folding motor
V149 - Driver mirror adjustment motor
Z4 - Heated driver exterior rearview mirror
(205) - Ground connection (in driver door wiring harness)
* - Depending on equipment
*2 - Only for vehicles with folding mirrors
*3 - Only for vehicles with automatic dimming exterior rearview mirror
*4 - Only for vehicles with high beam assist
Previous Diagram 110/6 (Tracks 57-70)
Next Diagram 110/8 (Tracks 85-98)