Front Bucket Seat Bracket and Operating Lever
Front Bucket Seat Bracket and Operating Lever
• The following describes removing and installing on the left side of the vehicle. Removing and installing on the right side is identical.
Removing
- Remove front seat. Refer to => [ Front Seat ] Front Seat
- Remove front left bucket seat trim. Refer to => [ Left Bucket Seat Trim ] Left Bucket Seat Trim
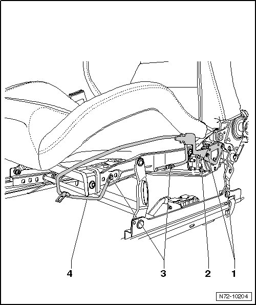
• As of MY 10, the bracket - 4 - is riveted to the seat pan with bolts - 1 - and - 3 -. Drill out the blind rivet to remove the bracket.
- Remove the two bolts - 1 - (3.5 Nm) and remove operating lever - 2 -.
- Remove the two bolts - 3 - (3.5 Nm) and remove bracket - 4 -.

Installing
- Install in reverse order of removal.
• Use pop rivet pliers (VAS 5072) to remove the blind rivets.