Procedure 1
Bucket Seat Pan
• The following describes removing and installing on the left side of the vehicle. Removing and installing on the right side is identical.
Removing
- Mount the fixture for seat repair (VAS 6136) on the engine and transmission holder (VAS 6095).
- Remove the front seat. Refer to => [ Front Seat ] Front Seat.
- Attach the seat to the fixture for seat repair (VAS 6136).
- Remove front left bucket seat trim. Refer to => [ Left Bucket Seat Trim ] Left Bucket Seat Trim
- Remove the front seat belt latch:
• 2-door: => [ Belt Latch, 2-door ] Belt Latch, 2-Door
• 4-door: => [ Belt Latch, 4-door ] Belt Latch, 4-Door
- Remove front bucket seat backrest. Refer to => [ Front bucket seat backrest, removing and installing ] Front bucket seat backrest, removing and installing
- Remove cover and upholstery from front bucket seat backrests. Refer to => [ Front Bucket Seat Cushion Cover and Cushion ] Front Bucket Seat Cushion Cover and Cushion
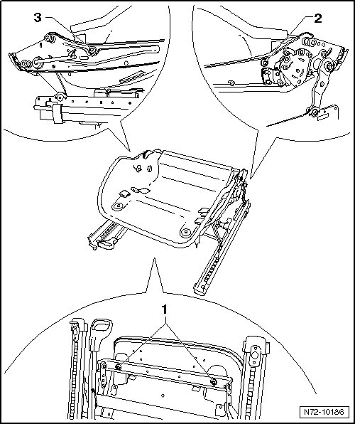
- Remove two screws - 1 - in front area (24 Nm).
- Remove screw - 2 - from seat base in rear left area (24 Nm).
- Remove screw - 3 - from seat base in rear right area (24 Nm).
• Screws - 1 - to - 3 - are micro-encapsulated. They must be replaced each time they are loosened.
• Before installing the new screws, the threads of the corresponding nuts must be cleaned.

Installing
- Install in reverse order of removal.