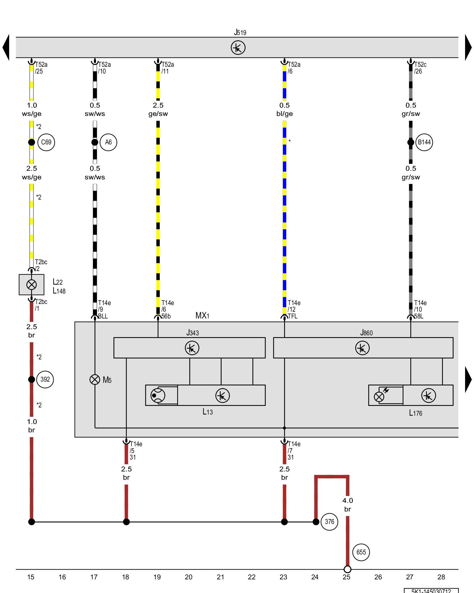
Diagram 145/3 (Tracks 15-28)
IMPORTANT NOTE:
This manufacturer uses "Track" style wiring diagrams.
For information on how to use these diagrams effectively, please refer to Diagram Information and Instructions. Diagram Information and Instructions
Left HID headlamp control module, Vehicle electrical system control module, Left HID headlamp bulb, Left front fog lamp bulb, Left cornering lamp bulb, Left daytime running lamp and parking lamp LED module, Left front turn signal bulb

ws = white
sw = black
ro = red
br = brown
gn = green
bl = blue
gr = grey
li = lilac
ge = yellow
or = orange
rs = pink
J343 - Left HID headlamp control module, on the left headlamp
J519 - Vehicle electrical system control module Control modules in front part of vehicle - Overview of Control Modules
J860 - Left daytime running lamp and parking lamp control module, on the left headlamp, in the left headlamp, in the left headlamp
L13 - Left HID headlamp bulb
L22 - Left front fog lamp bulb
L148 - Left cornering lamp bulb
L176 - Left daytime running lamp and parking lamp LED module
MX1 - Left front headlamp
M5 - Left front turn signal bulb
T2bc - Double connector
T14e - 14-pin connector
T52a - 52-pin connector
T52c - 52-pin connector
(376) - Ground connection 11 (in main wiring harness)
(392) - Ground connection 27 (in main wiring harness)
(655) - Ground connection on left headlamp Overview Of Ground Connections in Engine Compartment
(A6) - Left turn signal positive connection (in instrument panel wiring harness)
(B144) - Positive connection (58L) (in interior wiring harness)
(C69) - Fog lamp connection (in left front wiring harness)
* - Only for vehicles with daytime running lamps
*2 - Only for vehicles with fog lamps
Previous Diagram 145/2 (Tracks 1-14)
Next Diagram 145/4 (Tracks 29-42)