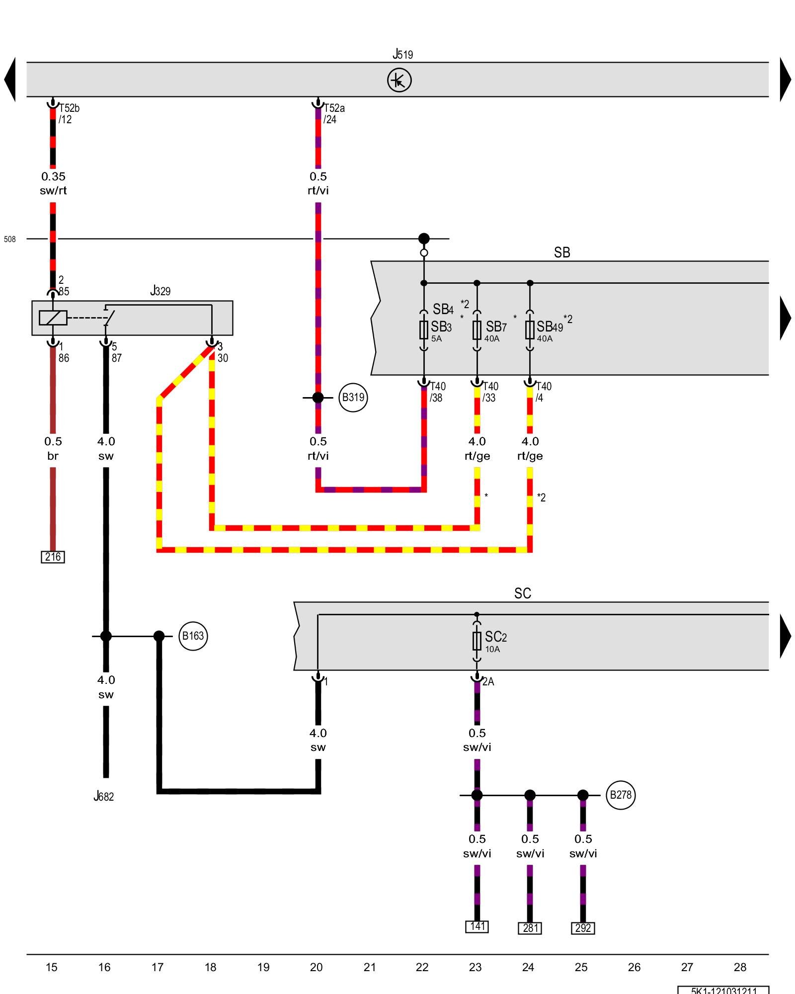
Diagram 121/3 (Tracks 15-28)
IMPORTANT NOTE:
This manufacturer uses "Track" style wiring diagrams.
For information on how to use these diagrams effectively, please refer to Diagram Information and Instructions. Diagram Information and Instructions
Terminal 15 power supply relay, Fuse panel B, Fuse panel C

ws = white
sw = black
ro = red
br = brown
gn = green
bl = blue
gr = grey
li = lilac
ge = yellow
or = orange
rs = pink
J329 - Terminal 15 power supply relay Overview Of Relay Carrier
J519 - Vehicle electrical system control module Control modules in front part of vehicle - Overview of Control Modules
J682 - Terminal 50 power supply relay Overview Of Relay Carrier
SB - Fuse panel B Fuse overview (SA), (SB), (SC)
SC2 - Fuse 2 (on fuse panel C) Fuse overview (SA), (SB), (SC)
SB3 - Fuse 3 (on fuse panel B) Fuse overview (SA), (SB), (SC)
SB4 - Fuse 4 (on fuse panel B) Fuse overview (SA), (SB), (SC)
SB7 - Fuse 7 (on fuse panel B) Fuse overview (SA), (SB), (SC)
SB49 - Fuse 49 (on fuse panel B) Fuse overview (SA), (SB), (SC)
SC - Fuse panel C Fuse overview (SA), (SB), (SC)
T40 - 40-pin connector
T52a - 52-pin connector
T52b - 52-pin connector
(508) - Terminal 30 threaded connection (on E-box)
(B163) - Positive connection 1 (15) (in interior wiring harness)
(B278) - Positive connection 2 (15a) (in main wiring harness)
(B319) - Positive connection 5 (30a) (in main wiring harness)
* - E-Box low
*2 - E-Box high
Previous Diagram 121/2 (Tracks 1-14)
Next Diagram 121/4 (Tracks 29-42)