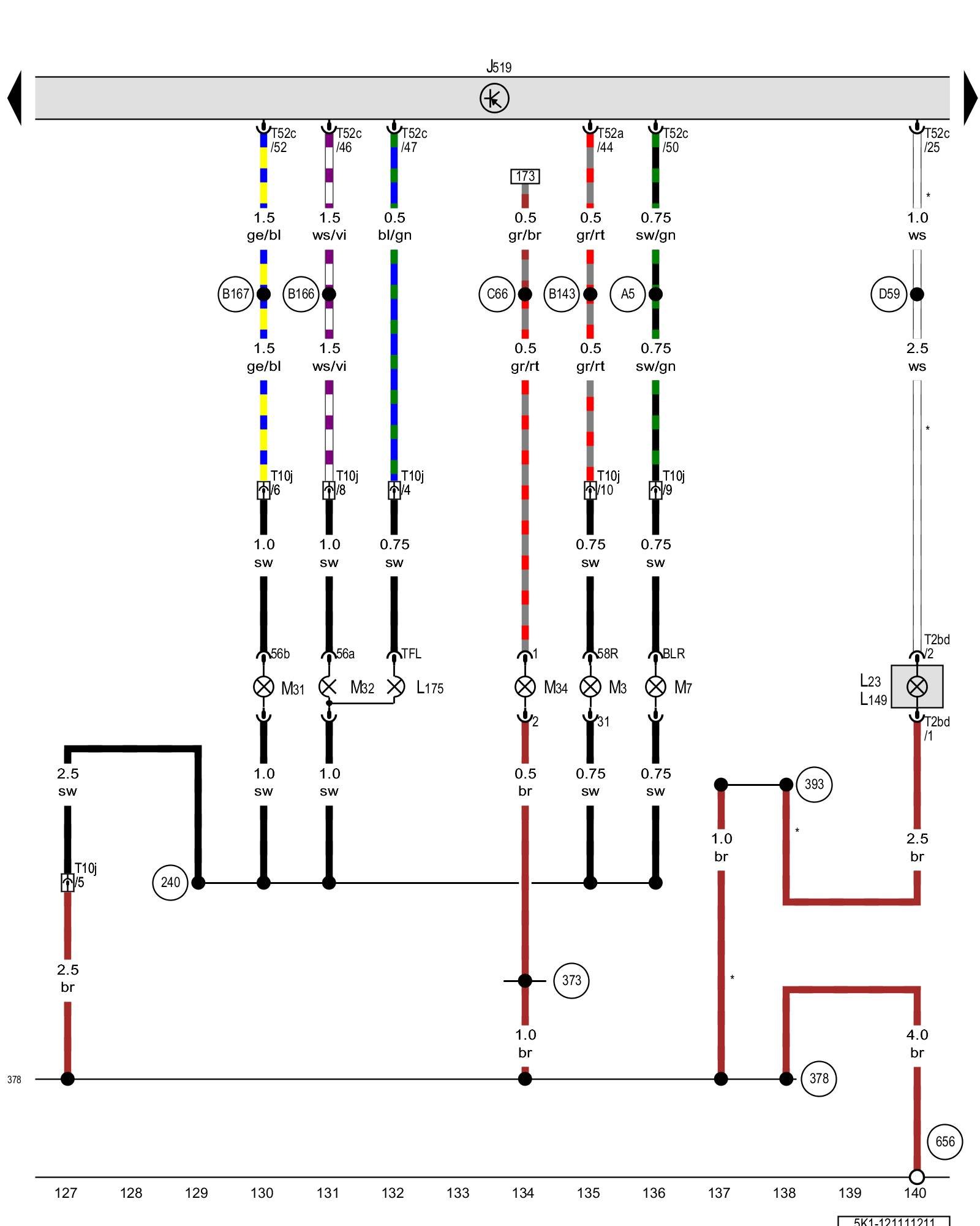
Diagram 121/11 (Tracks 127-140)
IMPORTANT NOTE:
This manufacturer uses "Track" style wiring diagrams.
For information on how to use these diagrams effectively, please refer to Diagram Information and Instructions. Diagram Information and Instructions
Right front fog lamp bulb, Right cornering lamp bulb, Right side marker lamp bulb, Right front turn signal bulb, Right low beam headlamp bulb, Right high beam headlamp bulb, Right front side marker lamp bulb

ws = white
sw = black
ro = red
br = brown
gn = green
bl = blue
gr = grey
li = lilac
ge = yellow
or = orange
rs = pink
J519 - Vehicle electrical system control module Control modules in front part of vehicle - Overview of Control Modules
L23 - Right front fog lamp bulb
L149 - Right cornering lamp bulb
L175 - Right daytime running lamp bulb
M3 - Right side marker lamp bulb
M7 - Right front turn signal bulb
M31 - Right low beam headlamp bulb
M32 - Right high beam headlamp bulb
M34 - Right front side marker lamp bulb
T2bd - Double connector
T10j - 10-pin connector, on the right headlamp
T52a - 52-pin connector
T52c - 52-pin connector
(240) - Ground connection 4 (in headlamp wiring harness)
(373) - Ground connection 8 (in main wiring harness)
(378) - Ground connection 13 (in main wiring harness)
(393) - Ground connection 28 (in main wiring harness)
(656) - Ground connection on right headlamp
(A5) - Right turn signal positive connection (in instrument panel wiring harness)
(B143) - Positive connection (58R) (in interior wiring harness)
(B166) - Connection (56a) (in interior wiring harness)
(B167) - Connection (56b) (in interior wiring harness)
(C66) - Side marker lamp positive connection 2
(D59) - Fog lamp connection (in engine compartment wiring harness)
* - Only for vehicles with fog lamps
Previous Diagram 121/10 (Tracks 113-126)
Next Diagram 121/12 (Tracks 141-154)