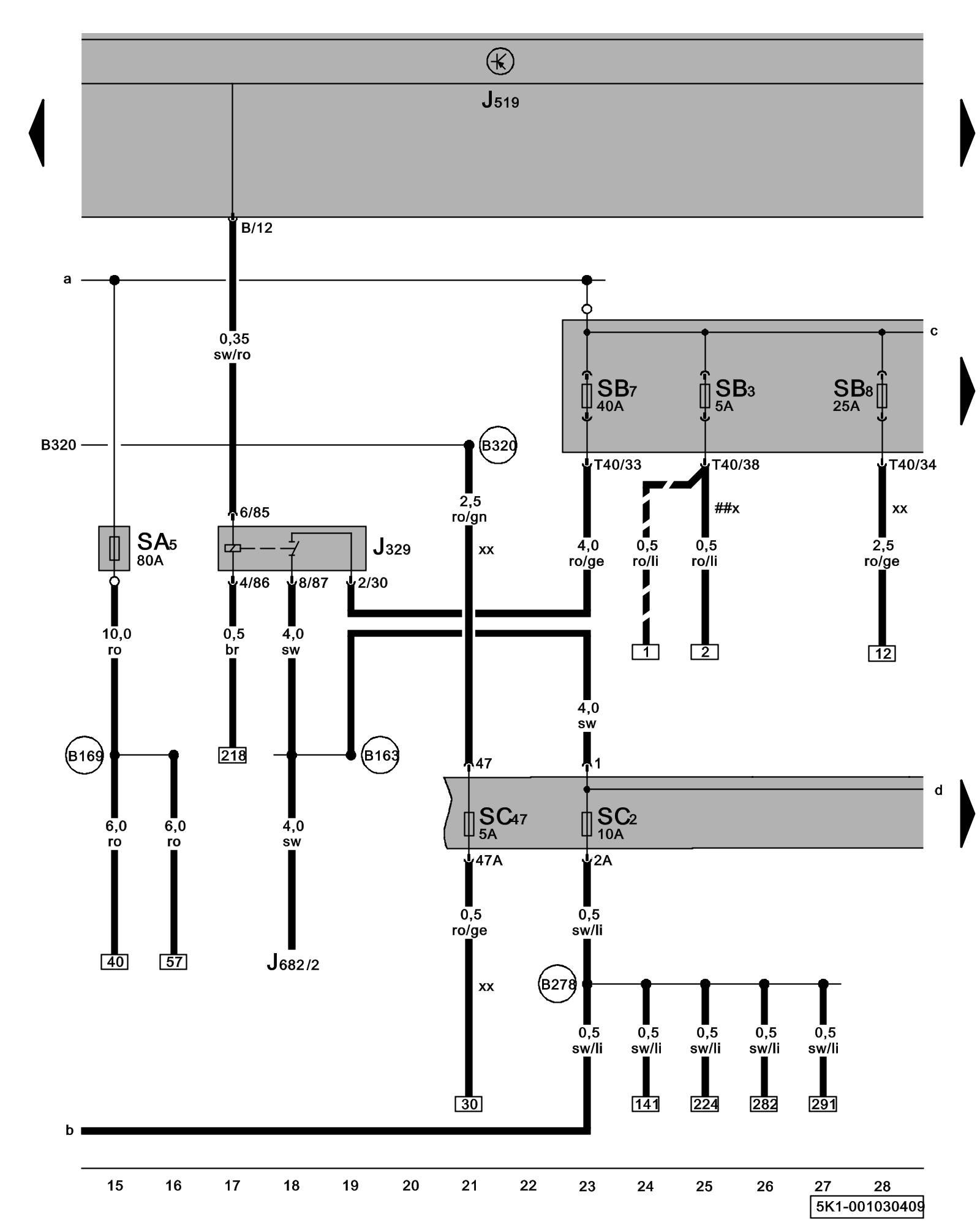
Diagram 1/3 (Tracks 15-28)
IMPORTANT NOTE:
This manufacturer uses "Track" style wiring diagrams.
For information on how to use these diagrams effectively, please refer to Diagram Information and Instructions. Diagram Information and Instructions
Power Supply Relay (terminal 15), Fuses

ws = white
sw = black
ro = red
br = brown
gn = green
bl = blue
gr = grey
li = lilac
ge = yellow
or = orange
rs = pink
J329 - Power Supply Relay (terminal 15) (53) Overview Of Relay Carrier
J519 - Vehicle Electrical System Control Module Control modules in front part of vehicle - Overview of Control Modules
J682 - Power Supply Relay (terminal 50) Overview Of Relay Carrier
SA5 - Fuse 5 (on fuse panel A) Fuse overview (SA), (SB), (SC)
SB3 - Fuse 3 (on fuse panel B) Fuse overview (SA), (SB), (SC)
SB7 - Fuse 7 (on fuse panel B) Fuse overview (SA), (SB), (SC)
SB8 - Fuse 8 (on fuse panel B) Fuse overview (SA), (SB), (SC)
SC2 - Fuse 2 (on fuse panel C) Fuse overview (SA), (SB), (SC)
SC47 - Fuse 47 (on fuse panel C) Fuse overview (SA), (SB), (SC)
T40 - 40-Pin Connector
(B163) - Plus Connection 1 (15) (in interior wiring harness)
(B169) - Plus Connection 1 (30) (in interior wiring harness)
(B278) - Plus Connection 2 (15a) (in main wiring harness)
(B320) - Plus Connection 6 (30a) (in main wiring harness)
##x - From May 2009
/// - Through April 2009
xx - Only models with stop/start system
Previous Diagram 1/2 (Tracks 1-14)
Next Diagram 1/4 (Tracks 29-42)