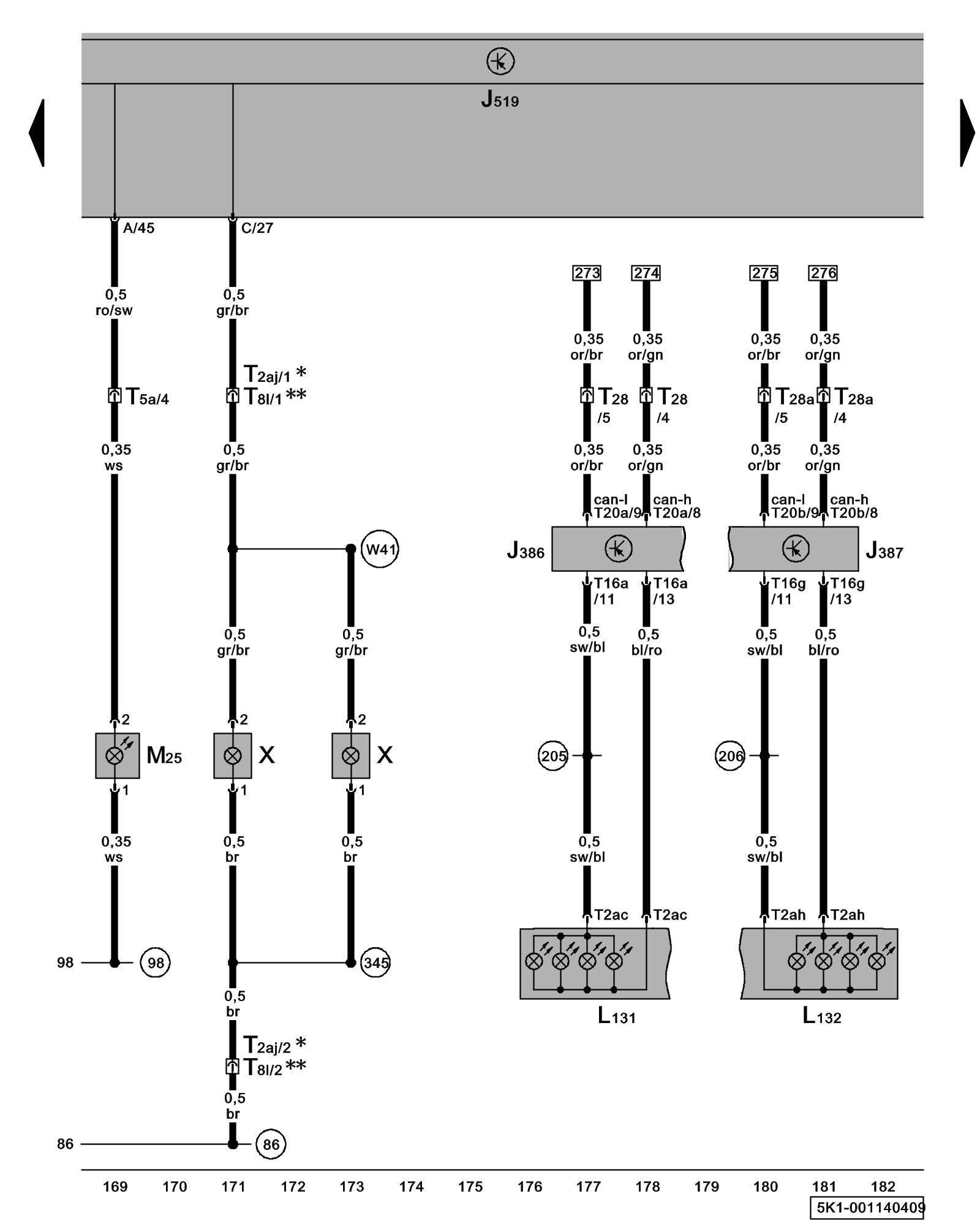
Diagram 1/14 (Tracks 169-182)
IMPORTANT NOTE:
This manufacturer uses "Track" style wiring diagrams.
For information on how to use these diagrams effectively, please refer to Diagram Information and Instructions. Diagram Information and Instructions
High-mount Brake Light, License Plate Light, Exterior Mirror Turn Signal

ws = white
sw = black
ro = red
br = brown
gn = green
bl = blue
gr = grey
li = lilac
ge = yellow
or = orange
rs = pink
J386 - Driver's Door Control Module
J387 - Front Passenger's Door Control Module Control modules in front part of vehicle - Overview of Control Modules
J519 - Vehicle Electrical System Control Module Control modules in front part of vehicle - Overview of Control Modules
L131 - Driver's Exterior Mirror Turn Signal Lamp
L132 - Front Passenger's Exterior Mirror Turn Signal Lamp
M25 - High-mount Brake Light
T2ac - Double Connector
T2ah - Double Connector
T2aj - Double Connector, below bumper, right rear
T5a - 5-Pin Connector, black, in left rear side panel Overview of connector stations and connectors
T8l - 8-Pin Connector, below bumper, right rear Overview of connector stations and connectors
T16a - 16-Pin Connector
T16g - 16-Pin Connector
T20a - 20-Pin Connector
T20b - 20-Pin Connector
T28 - 28-Pin Connector, connector station A-pillar, left Overview of connector stations and connectors
T28a - 28-Pin Connector, connector station A-pillar, right Overview of connector stations and connectors
X - License Plate Light
(86) - Ground Connection 1 (in rear wiring harness)
(98) - Ground Connection (in rear lid wiring harness)
(205) - Ground Connection (in Driver's door wiring harness)
(206) - Ground Connection (in Front Passenger's door wiring harness)
(345) - Ground Connection (in bumper wiring harness)
(W41) - Plus Connection (58) (in license plate light wiring harness)
* - Only models without parking aid
** - Only models with parking aid
Previous Diagram 1/13 (Tracks 155-168)
Next Diagram 1/15 (Tracks 183-196)